EasyManua.ls Logo

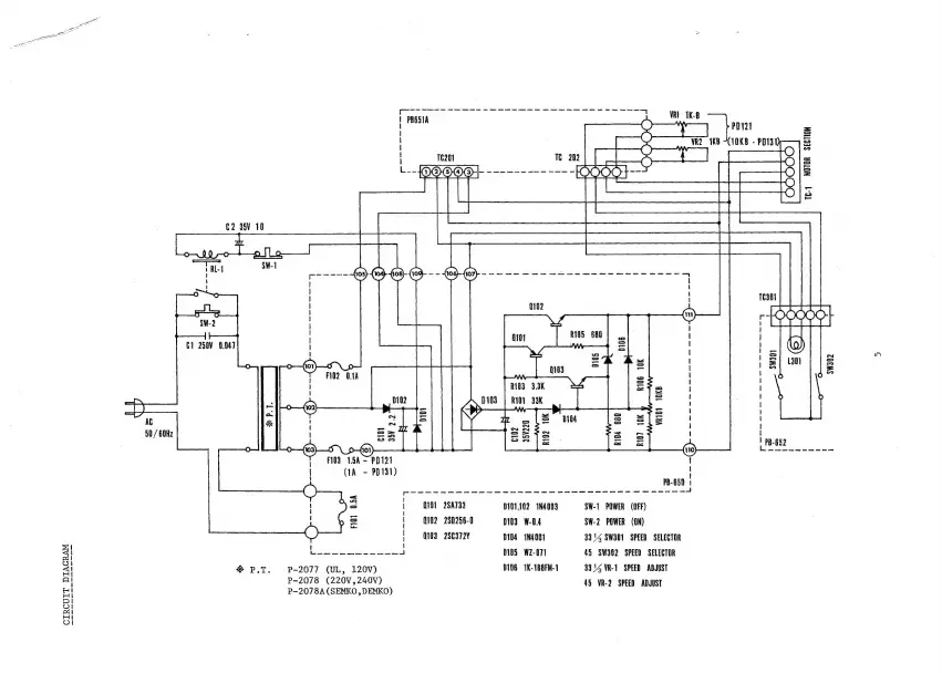
Luxman PD-121 - Circuit Diagram

Luxman PD-121
9 pages
Print Icon
To Next Page IconTo Next Page
To Next Page IconTo Next Page
To Previous Page IconTo Previous Page
To Previous Page IconTo Previous Page
Loading...

Related product manuals