EasyManua.ls Logo

Luxman PD-121 - Page 7

Luxman PD-121
9 pages
Print Icon
To Next Page IconTo Next Page
To Next Page IconTo Next Page
To Previous Page IconTo Previous Page
To Previous Page IconTo Previous Page
Loading...
Qiot;
2SA733
@102;
280256
—Qin3
;
280372
D101
D102
;
iN-4003
i
H
1
Dioa
;
W-04
102
Dios;
1N-4008
G2)
Fer
bea
‘Did:
W-O71
Dios
;
1K-188
-
=
C1250
0.047
Fs
1
x
2
AC
120V
ee
#
7
60
Hz
=
=
=
=
t
t
1
1
Lo
~{j9g)--(105+
4107)
4109)
4104}
4198+
-
--—---
~----
------
--
-
-
-
+
ee ee
OOOOO@
@-@)
MOTOR
SECTION
1
i
1
Ry
=
t
Peat
{J
|
4
a
{>
oe
SW-1
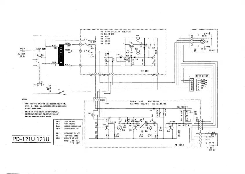
WOTES
a
eat
INNA
OO
heck
eon
meee
Sone
Dee
Se
ko
te
te
BI
A
ets
i
O201-O204
;
280
945
205;
2801447
1
UNLESS
OTHERWISE
SPECIFIED,
ALL
REGISTORS
ARE
IN
OHM,
H
Dor:
14007
D202:
W-04
—D203~Dz0g
;
1N—4448
V/AW;
Ke10°OHM,
ALL
CAPACITORS
ARE
IN
MICRO
FARAG
;
'
R200
1.8K
1/2
W
PF=10"¢
MICRO
FARAD,
f
=
0201
=
2
DUE
TO
CONTINUED
RESERCH
FOR
IMPROVEMENTS,
H
5
{+
LUX
RESERVES
THE
RIGHT
TO
ALTER
THE
CIRCUIT
=
oF
AND
SPECIFICATIONS
WITHOUT
NOTICE.
=
=
~
1
ef
2
Sw-1;
POWER
SW(OFF)
H
R212
10K
=
ane
7
ko
C74
100P
Sw-2;
POWER
SW(ON)
:
Cam
:
C202
R206
1.8K
1/2
W
Swaor
;
SPEED
SELECTOR
(331/3)
|!
AC)
0.001
CK) CK)
Swaod
;
SPEED
SELECTOR
(45)
'
Uhs
I
Ch,
Che
0202
203
~
204
ES
Gicsics
VA
1;
SPEED
ADJUST
(331/3)
|
|
ere
=
1a
VR-2
;
SPEED
ADJUST
(45)
'
&
a
5
PD
]
21
U
-]
3]
U
VR
101
;
REGULATOR
VOLTAGE
:
ADJUST,
(a:
a
;
210;
1BV
PB-851A
L
wa
wee
eee
te
ew
ow
ow ee
a
a
a
a
8
ro
oe
ee
rn
oe
wwe
eet

Related product manuals