EasyManua.ls Logo

M-Audio AV32 - Appendix B: Block Diagram; Trademarks and Licenses

M-Audio AV32
20 pages
Print Icon
To Next Page IconTo Next Page
To Next Page IconTo Next Page
To Previous Page IconTo Previous Page
To Previous Page IconTo Previous Page
Loading...
19
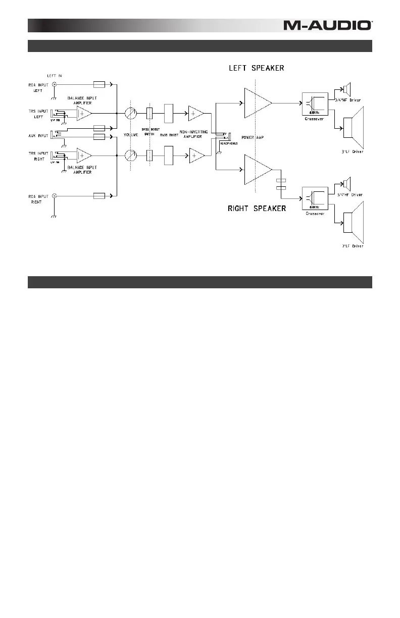
Appendix B: Block Diagram
Trademarks and Licenses
All other product or company names are trademarks or registered trademarks of their
respective owners.

Related product manuals