EasyManua.ls Logo

M-Audio Keystation 49

M-Audio Keystation 49
15 pages
To Next Page IconTo Next Page
To Next Page IconTo Next Page
To Previous Page IconTo Previous Page
To Previous Page IconTo Previous Page
Loading...
1
1
2
2
3
3
4
4
D D
C C
B B
A A
Title
Number RevisionSize
A4
Date: 2014-4-4 Sheet of
File: C:\Documents and Settings\..\MK33.02.A02.SchDocDrawn By:
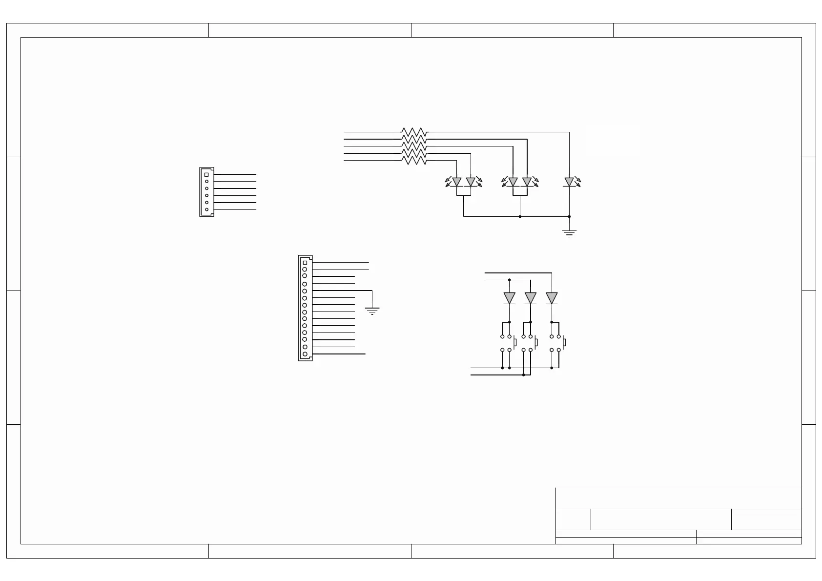
KFC-A06B-G5
12
34
SW1
GREEN
RED
LED3
GREEN
RED
LED2
BL-B2441J
LED1
220R
R1
1N4148
D1
1N4148
D3
KFC-A06B-G5
12
34SW2
KFC-A06B-G5
12
34
SW3
PH2.0-6W
1
2
3
4
5
6
J2
1N4148
D2
MK33.02.A02
chendongmei
220RR2
220R
R3
220R
R4
220R
R5
GND
P3.0/C2D/LED0
LED1
LED2
LED3
LED4
Leds:
1 bule
2 red+green
GND
WR13
RD2
RD3
WR12
XH2.54-14Z
1
2
3
4
5
6
7
8
9
10
11
12
13
14
J1
WR12
WR13
RD4
RD5
RD6
RD7
P3.0/C2D/LED0
LED1
LED2
LED3
LED4
WR12
WR13
RD2
RD3
RD4
RD5
RD6
RD7
MK33.Function board

Other manuals for M-Audio Keystation 49

Related product manuals