EasyManua.ls Logo

Mackie d8b v3 - Page 12

Mackie d8b v3
117 pages
Print Icon
To Next Page IconTo Next Page
To Next Page IconTo Next Page
To Previous Page IconTo Previous Page
To Previous Page IconTo Previous Page
Loading...
12
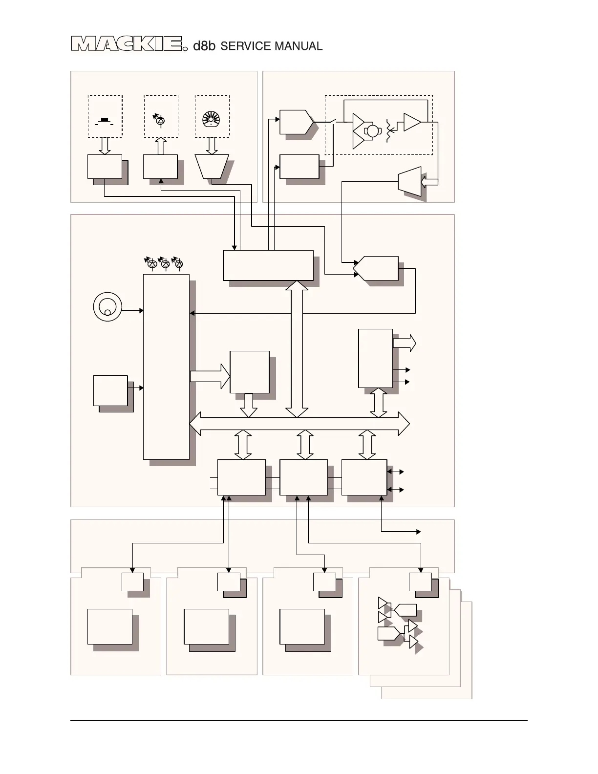
FADER BOARDS -125 -125
LATCHS
I/O BUFFERS
BRAIN BOARD -136
LATCHES
I/O BUFFERS
CLOCK
SYSTEM
FX
DSP
PIC PICPICPIC
EFFECTS CARD
AES/EBU CARD -115 TAPE I/O CARD -119CLOCK CARD -164
AES/EBU
BACKPLANE BOARD -163
x4
UART
PC COM-1
RS232
ADC
DAC
ADSP-2181
CPU-DSP
STATUS LEDS
APOGEE I/O CARD
AES/EBU 8-CH I/O CARD
ADC
CONTROL SURFACE -120 -121 -122
UARTUART
CLK1
CLK2
SWITCHES LEDS V-POTS
MUX
SHIFT
REGISTERS
SHIFT
REGISTERS
MUX
SHIFT
REGISTERS
FLYING
FADERS
x 25
DAC
JOG
WHEEL
D8-D23
A0-A13
TO VFD
DRIVER
VU METERS
EPROM
DCA BOARD
DSP
CLOCK
DSP

Related product manuals