EasyManua.ls Logo

Mackie d8b v3 - Page 85

Mackie d8b v3
117 pages
Print Icon
To Next Page IconTo Next Page
To Next Page IconTo Next Page
To Previous Page IconTo Previous Page
To Previous Page IconTo Previous Page
Loading...
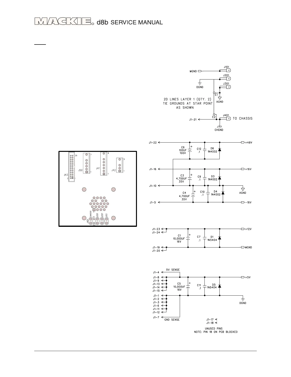
C-2
CONNECTORS
CONNECTORS
J1
4
95
1510
2016
2421
J1
This is J1 on the power distribution board, not to be confused with the other J1 shown opposite, or J1 on
the DSP board.

Related product manuals