EasyManua.ls Logo

Mackie D8B - Page 102

Mackie D8B
125 pages
Print Icon
To Next Page IconTo Next Page
To Next Page IconTo Next Page
To Previous Page IconTo Previous Page
To Previous Page IconTo Previous Page
Loading...
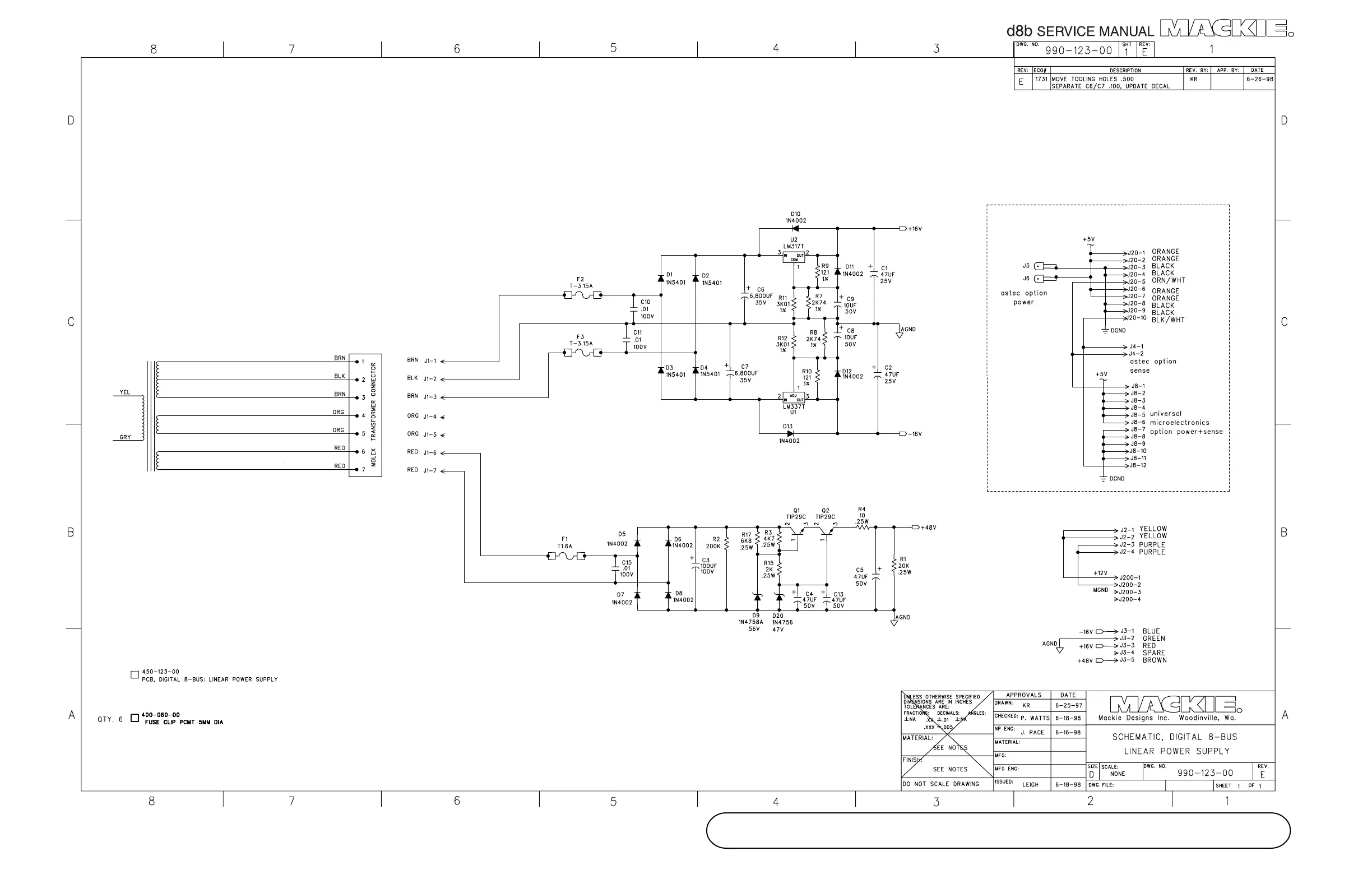
123-1
LINEAR POWER SUPPLY 123 REV A
©1998 Mackie Designs Inc. All rights reserved

Other manuals for Mackie D8B

Related product manuals