EasyManua.ls Logo

Mackie D8B - Page 3

Mackie D8B
125 pages
Print Icon
To Next Page IconTo Next Page
To Next Page IconTo Next Page
To Previous Page IconTo Previous Page
To Previous Page IconTo Previous Page
Loading...
D-3
©1999 Mackie Designs Inc. All rights reserved
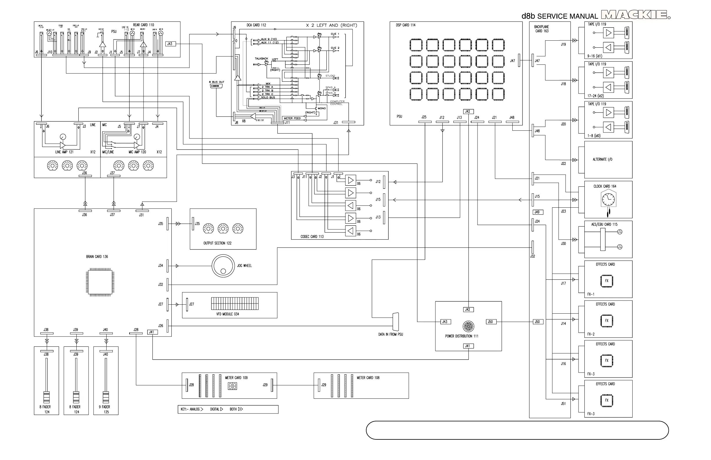
BOARD BLOCK DIAGRAM

Other manuals for Mackie D8B

Related product manuals