EasyManua.ls Logo

Mackie D8B - Page 63

Mackie D8B
125 pages
Print Icon
To Next Page IconTo Next Page
To Next Page IconTo Next Page
To Previous Page IconTo Previous Page
To Previous Page IconTo Previous Page
Loading...
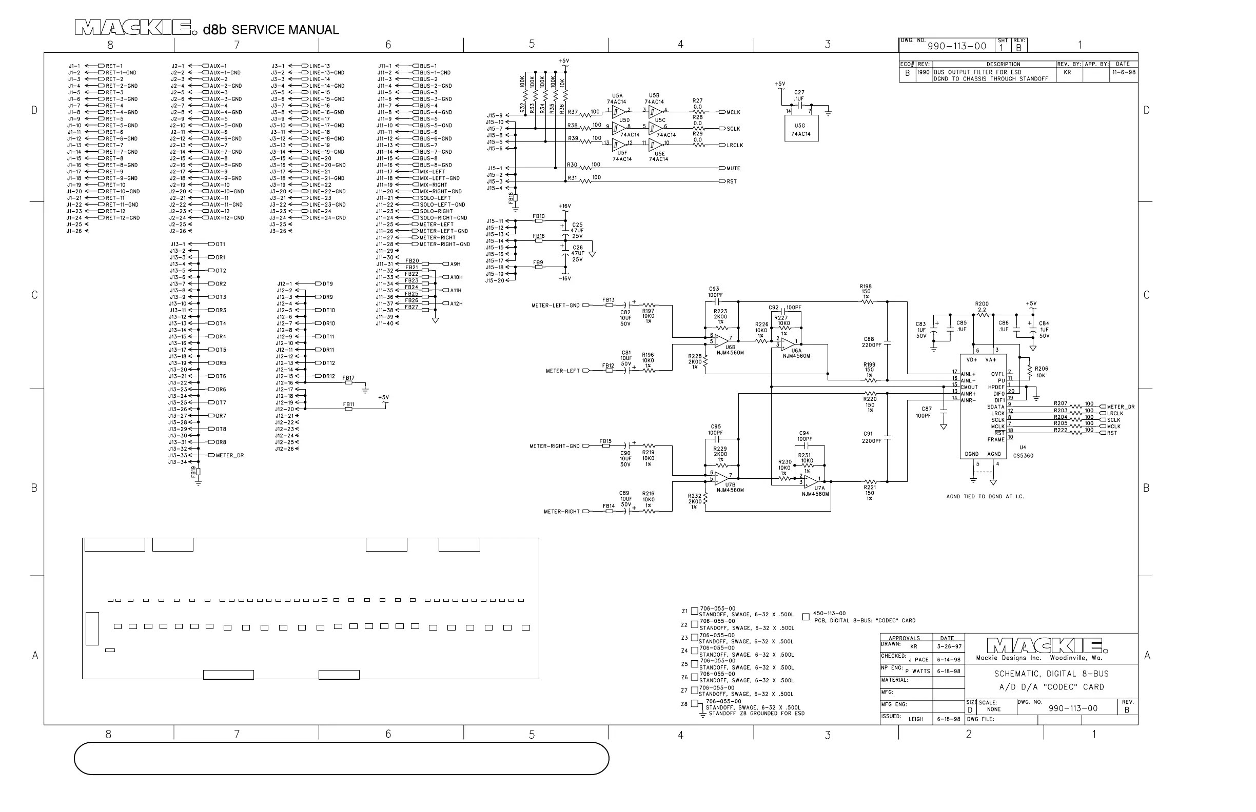
113-2
CODEC BOARD 113 REV B
©1998 Mackie Designs Inc. All rights reserved
Sheet 2 of 4
J11 J3 J2 J1
J12J13
J15
U5
U4
U6
U7

Other manuals for Mackie D8B

Related product manuals