EasyManua.ls Logo

Mackie D8B - Page 70

Mackie D8B
125 pages
Print Icon
To Next Page IconTo Next Page
To Next Page IconTo Next Page
To Previous Page IconTo Previous Page
To Previous Page IconTo Previous Page
Loading...
114-3
DSP BOARD 114 REV C
©1998 Mackie Designs Inc. All rights reserved
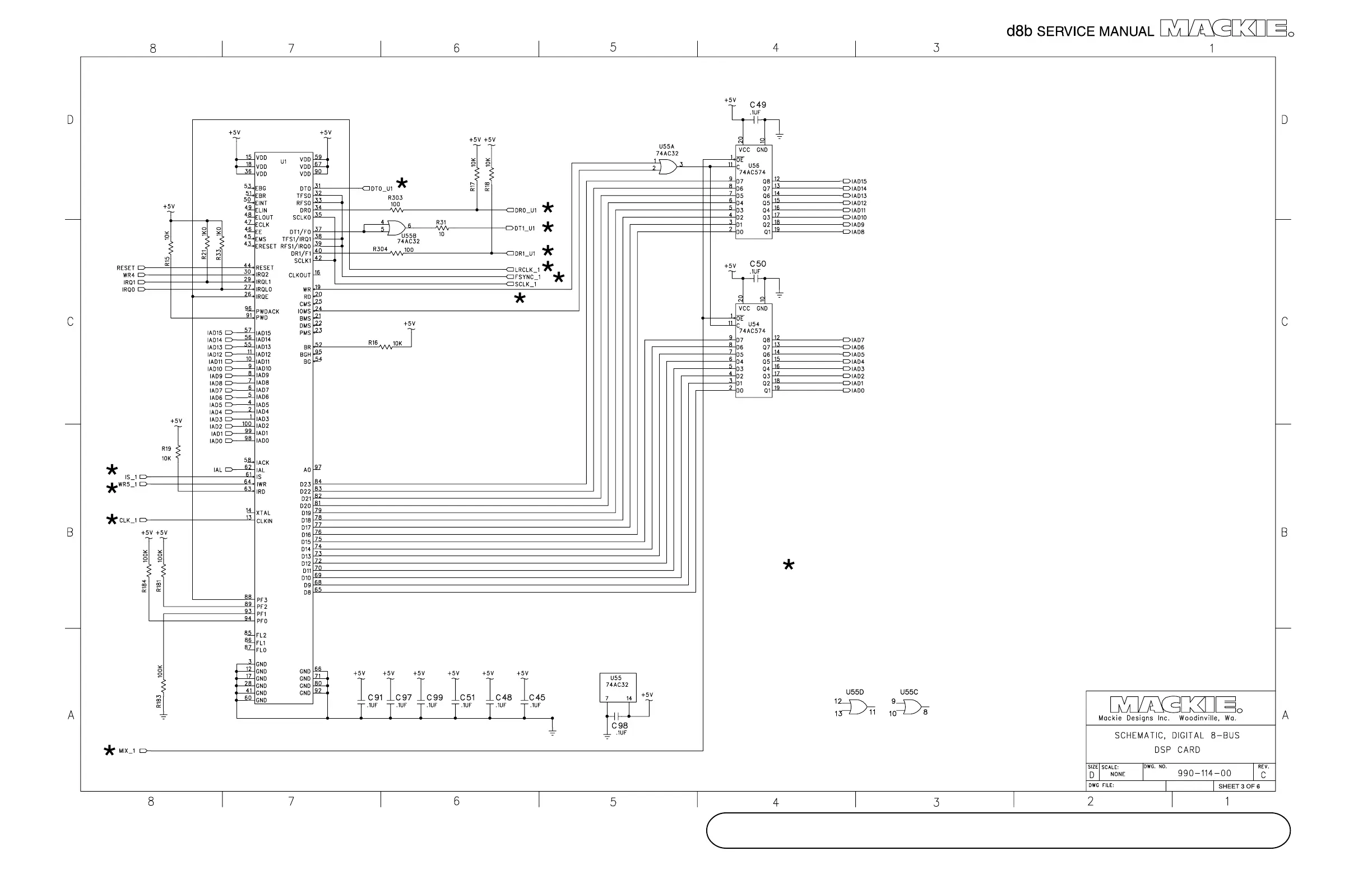
This portion of the DSP board repeats 24 times with only small variations.
All resistors, caps and ICs have different reference designators as shown in the
tables on the following pages. Sadly, dear reader, they do not follow the usual 100's
thing found on other boards.
Points marked with an asterix also change label as shown in the table on the next
page, the other points do not change label.
As the 74AC32 is shared with two DSP channels,
the pin-outs for D and C are like this:

Other manuals for Mackie D8B

Related product manuals