EasyManua.ls Logo

Mackie D8B - Page 83

Mackie D8B
125 pages
Print Icon
To Next Page IconTo Next Page
To Next Page IconTo Next Page
To Previous Page IconTo Previous Page
To Previous Page IconTo Previous Page
Loading...
120-2
CONTROL SURFACE 120 REV A
©1998 Mackie Designs Inc. All rights reserved
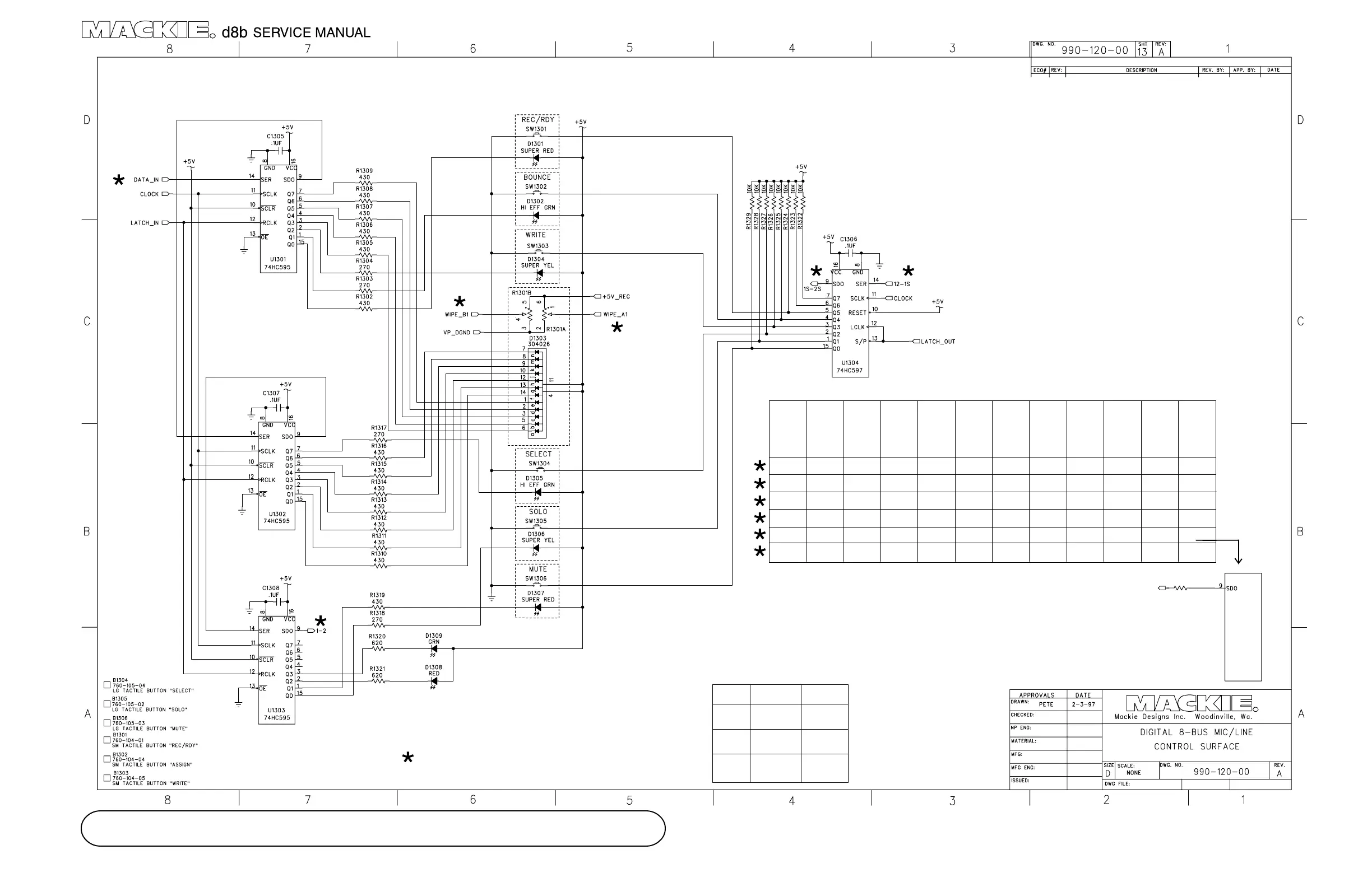
Channels 13-24 are the same with only small variations.
All resistors, LEDs, caps and ICs have different reference
designators which increase in the 100s.
Points marked with an asterix are shown in the tables, the
other points do not change label.
CHANNEL PARTS RANGE EXAMPLE
13
IN THE 1300'S R1329, D1301
R2029, D2001
R2429, D2401
20
IN THE 2000'S
24
IN THE 2400'S
TABLE OF DIFFERENCES OF REF DESIGNATORS
WHERE THE CHANNELS ARE OTHERWISE IDENTICAL
SHOWN
DATA_IN
1-2
1-2
2-3
2-3
3-4
4-5
5-6
5-6
6-7
3-4
4-5
WIPE_B1
WIPE_A1
WIPE_B2
WIPE_A2
WIPE_B3
WIPE_A3
WIPE_B5
WIPE_A5
WIPE_B6
WIPE_A6
WIPE_B4
WIPE_A4
1S-2S
12-1S
2S-3S
1S-2S
3S-4S
2S-3S
5S-6S
4S-5S
6S-7S
5S-6S
4S-5S
3S-4S
CHANNEL 13
SHOWN
CHANNEL 14
CHANNEL 15
CHANNEL 16
CHANNEL 17
CHANNEL 18
TABLE OF DIFFERENCES BETWEEN CHANNELS
6-7
7-8
7-8
8-9
8-9
9-10
10-11
11-12
11-12
12-1S
9-10
10-11
WIPE_B7
WIPE_A7
WIPE_B8
WIPE_A8
WIPE_B9
WIPE_A9
WIPE_B11
WIPE_A11
WIPE_B12
WIPE_A12
WIPE_B10
WIPE_A10
7S-8S
6S-7S
8S-9S
7S-8S
9S-10S
8S-9S
11S-12S
10S-11S
DATA_OUT
SEE
R19
100
DATA_OUT
U2404
11S-12S
10S-11S
9S-10S
CHANNEL 19
CHANNEL 20
CHANNEL 21
CHANNEL22
CHANNEL 23
CHANNEL 24
CHANNEL 14 HAS THIS
EXTRA RESISTOR IN
SERIES.
SHEET 2 OF 3

Other manuals for Mackie D8B

Related product manuals