EasyManua.ls Logo

Mackie D8B - Page 91

Mackie D8B
125 pages
Print Icon
To Next Page IconTo Next Page
To Next Page IconTo Next Page
To Previous Page IconTo Previous Page
To Previous Page IconTo Previous Page
Loading...
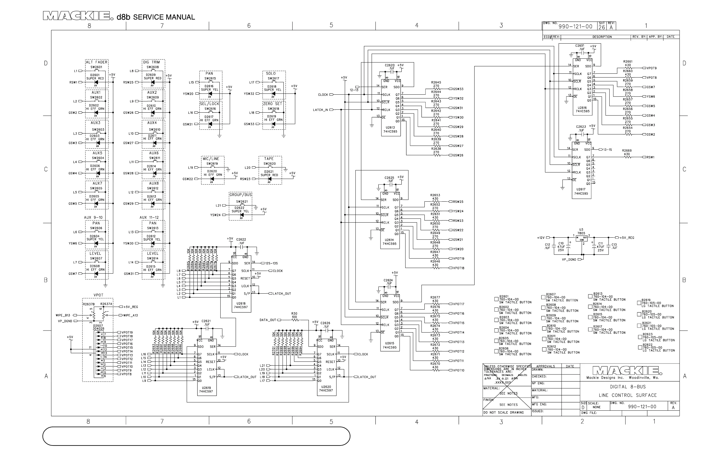
121-4
CONTROL SURFACE 121 REV A
©1998 Mackie Designs Inc. All rights reserved
SHEET 4 OF 4

Other manuals for Mackie D8B

Related product manuals