EasyManua.ls Logo

Mackie HM-4 - Page 8

Mackie HM-4
10 pages
Print Icon
To Next Page IconTo Next Page
To Next Page IconTo Next Page
To Previous Page IconTo Previous Page
To Previous Page IconTo Previous Page
Loading...
HM-4 4-Way Headphone Amplifier
8
HM-4 4-Way Headphone Amplifier
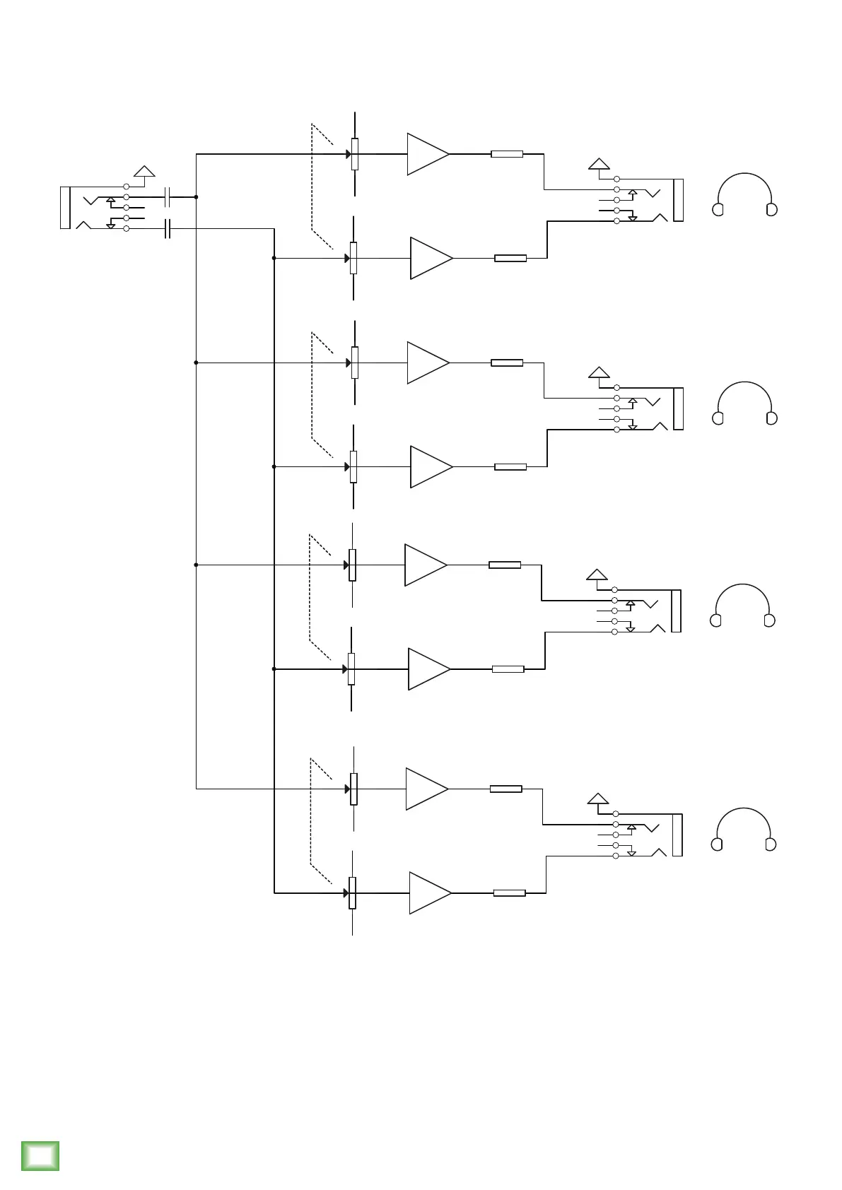
HM-4 4-Way Headphone Amplifier Block Diagram
OUTPUT LEVEL
LA
LINE AMP
LA
LINE AMP
FIXED RESISTANCE
FIXED RESISTANCE
PHONE JACK
HEADPHONE
INPUT
PHONE JACK
OUTPUT LEVEL
LA
LINE AMP
LA
LINE AMP
FIXED RESISTANCE
FIXED RESISTANCE
PHONE JACK
HEADPHONE
OUTPUT LEVEL
LA
LINE AMP
LA
LINE AMP
FIXED RESISTANCE
FIXED RESISTANCE
PHONE JACK
HEADPHONE
OUTPUT LEVEL
LA
LINE AMP
LA
LINE AMP
FIXED RESISTANCE
FIXED RESISTANCE
PHONE JACK
HEADPHONE
CAP
CAP

Other manuals for Mackie HM-4

Related product manuals