EasyManua.ls Logo

Macma MM2315 - Grounding for Low Voltage Circuits; Grounding for Higher Voltage Circuits

Default Icon
9 pages
Print Icon
To Next Page IconTo Next Page
To Next Page IconTo Next Page
To Previous Page IconTo Previous Page
To Previous Page IconTo Previous Page
Loading...
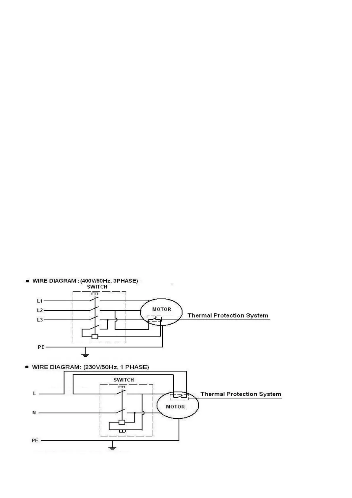
ordinances.
Do not modify the plug provided-if it will not fit the outlet, have the proper outlet installed by qualified
electrician. Improper connection of the equipment grounding conductor can result in a risk of electric shock.
The conductor with insulation having an outlet surface that is green with or without yellow stripes is the
equipment-grounding conductor. If repair or replacement of the electric cord or plug is necessary, do not
connect the equipment-grounding conductor to a live terminal
Check-with a qualified electrician or service personnel if the grounding instructions are not completely
understood. or if in doubts to whether the tool is properly grounded. Use only 3-wire extension cords that
have 3-prong grounding plugs and 3-pole receptacles that accept the tool’s plug. Repair or replace damage
or worn cord immediately.
2. Grounded, cord-connected tools intended for use on a supply circuit having a nominal rating less than 150
volts.
This tool is intended for use on a circuit that has an outlet that looks like the one illustrated in Sketch A in
Figure in Figure. The tool has a grounding plug that looks like the plug illustrated in Sketch A in Figure.
A temporary adapter, which looks like the adapter illustrated in Sketches B and C, may be used to connect
this plug to a 2-pole receptacle as shown in Sketch B if a properly grounded is not available. The temporary
adapter should be used only until a properly grounded outlet can be installed by a qualified electrician. The
green-colored rigid ear, plug and the like extending from the adapter must be connected to a permanent
ground such as a properly grounded outlet box.
3. Grounded, cord-connected tools in tended for use on a supply circuit having a nominal rating between
150-250 volts, inclusive:
This tool is intended for use on a circuit that has an outlet that looks like the one illustrated in Sketch D in
Figure. The tool has a grounding plug that looks like the plug illustrated in Sketch D in Figure.
Make sure the tool is connected to an outlet having the same configuration as the plug. No adapter is
available or should be used with this tool. If the tool must be reconnected for use on a different type of
electric circuit, the reconnection should be made by qualified service personnel; and after reconnection, the
tool should comply with all local code and ordinances.