EasyManua.ls Logo

Man D2862 LE426

Man D2862 LE426
134 pages
To Next Page IconTo Next Page
To Next Page IconTo Next Page
To Previous Page IconTo Previous Page
To Previous Page IconTo Previous Page
Loading...
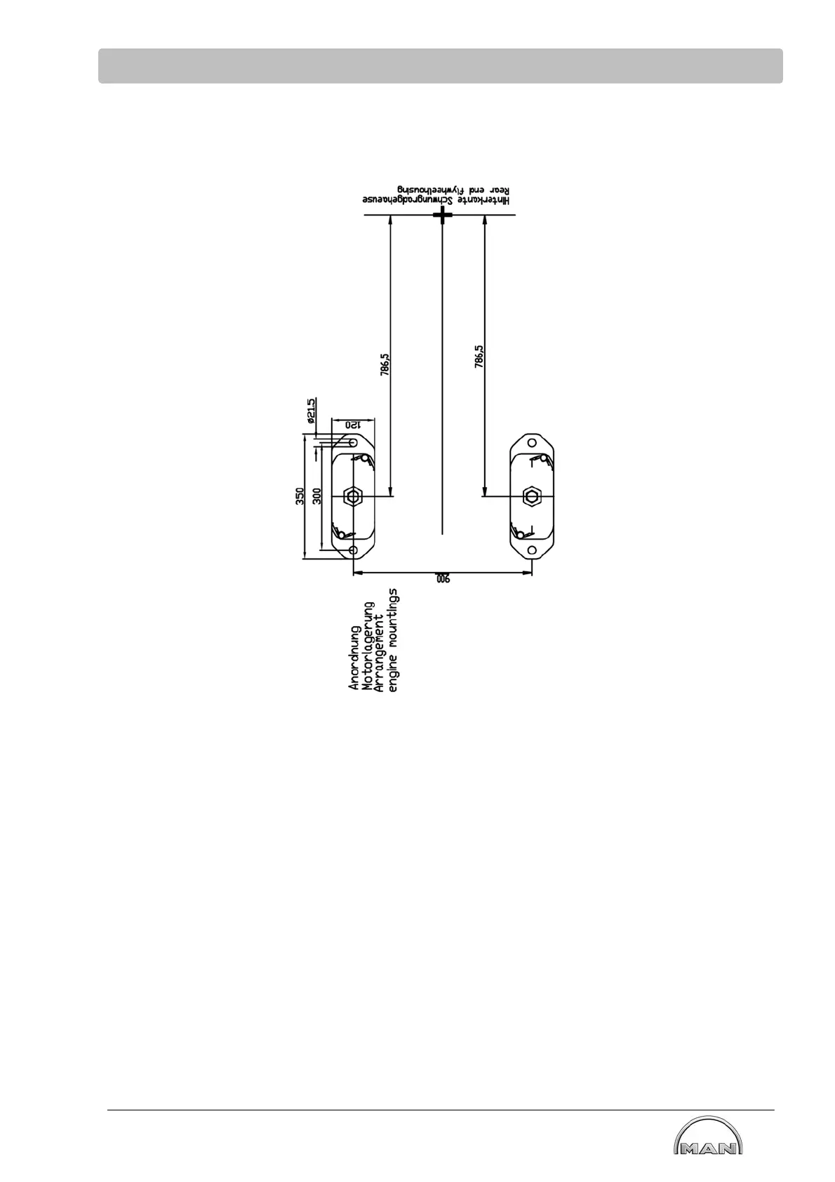
Installation drawings V8-1200
MAN marine diesel engines D2868 LE4.. / D2862 LE4..
117
Identification number for installation drawing: 51.00508-7126,
drawn on 08.11.2011

Table of Contents

Related product manuals