EasyManua.ls Logo

Manitowoc IBT1020C - If2100 C

Manitowoc IBT1020C
212 pages
Print Icon
To Next Page IconTo Next Page
To Next Page IconTo Next Page
To Previous Page IconTo Previous Page
To Previous Page IconTo Previous Page
Loading...
208 Part Number: 000015431 Rev01 5/19
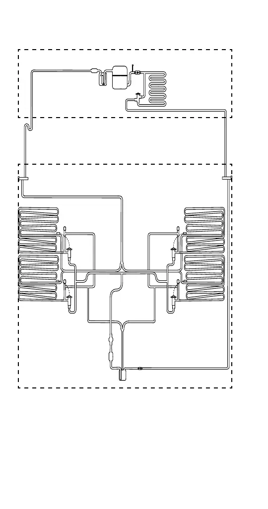
IF2100C
1
2
3
4
5
6
7
10
11
12
13
15
16
17
13
12
14
14
9
18
11
1212
T4 T3
T1
T2

Table of Contents

Other manuals for Manitowoc IBT1020C

Related product manuals