EasyManua.ls Logo

Manitowoc QD0323W - Page 72

Manitowoc QD0323W
175 pages
Print Icon
To Next Page IconTo Next Page
To Next Page IconTo Next Page
To Previous Page IconTo Previous Page
To Previous Page IconTo Previous Page
Loading...
Electrical System Section 6
6-16 Part No. 80-1100-3
Automatic Shut-Off
7. AUTOMATIC SHUT-OFF
If the storage bin is full at the end of a
harvest cycle, the sheet of cubes fails
to clear the water curtain and holds it
open. After the water curtain is held
open for 7 seconds, the ice machine
shuts off.
The ice machine remains off until
enough ice is removed from the
storage bin to allow the sheet of
cubes to drop clear of the water
curtain. As the water curtain swings
back to the operating position, the bin
switch closes and the ice machine
restarts.
NOTE: The ice machine must remain
off for 3 minutes before it can
automatically restart.
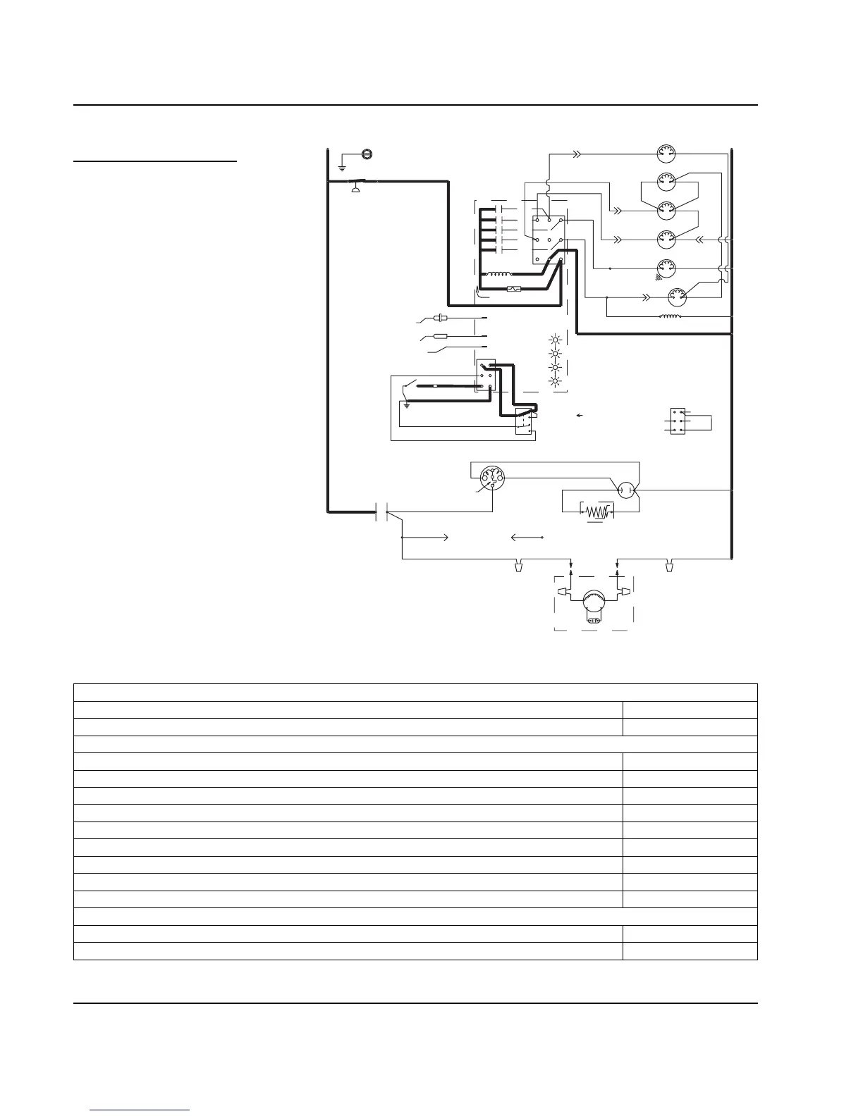
Figure 6-14. Remote — Automatic Shut-Off
Table 6-14. Remote Models
7. Automatic Shut-Off (Until Bin Switch Closes)
Toggle Switch ICE
Bin Switch Open
Control Board Relays
#1 Water Pump Open / OFF
#2 Water Fill Valve Open / OFF
#3 Harvest Solenoid Open / OFF
Harvest Pressure Regulating (HPR) Solenoid Open / OFF
#4 Water Dump Valve Open / OFF
#5 Contactor Coil Open / OFF
Liquid Line Solenoid De-energized
Compressor ON
Condenser Fan Motor ON
Safety Controls (Which could stop ice machine operation)
High Pressure Cut-Out Closed
Main Fuse (On Control Board) Closed
TERMINATES AT
PIN CONNECTION
*OVERLOAD
BIN SWITCH
ICE THICKNESS PROBE
(F1)
TB33
(52)
(51)
(48)
T
B35
L1
(42)
CONTACTOR
CONTACTS
(66)
(64)
WATER LEVEL PROBE
NOT USED
TB32
T
B35
L1
(55)
HIGH PRES
CUTOUT
(74)
(73)
REMOTE
FAN MOTOR
RUN CAPACITOR
PTCR
TB34
(53)
REMOTE CONDENSER
(F2)
(45)
TB3
0
BIN SWITCH LIGHT
HARVEST LIGHT/
SAFETY LIMIT CODE LIGHT
RUN CAPACITOR
TOGGLE SWITCH
INTERNAL WORKING
VIEW
CLEAN LIGHT
WATER LEVEL
(68)
ICE
C
S
R
(46)
(49)
(47)
COMPRESSOR
(62)
(66)
(69)
(67)
OFF
CLEAN
1F
LOW D.C.
VOLTAGE
PLUG
(63)
(65)
(62)
1G
1C
R
R
(50)
TB3
0
68
67
69
66
62
(56)
COIL
VIEW FOR WIRING
TB3
0
CONTACTOR
TB3
0
(57)
4
(58)
1
3
FUSE (7A)
TRANS.
5
(61)
(60)
2
HARVEST
(80)
TB31
TB37
(76)
(98)
(59)
(99)
(75)
SOLENOID
DUMP
SOLENOID
(81)
WATER
PUMP
LIQUID LINE
SOLENOID
TB3
0
TB3
0
(82)
(83)
HPR
SOLENOID
L2 (N)
SEE SERIAL PLATE FOR VOLTAGE
(22)(21)
WATER
VALVE
(77)
(79)(78)
(20)
SV1648-7

Table of Contents

Other manuals for Manitowoc QD0323W

Related product manuals