EasyManua.ls Logo

Manitowoc RF0266A - Flake Models; RF0244;RNS0244;RF0266;RF0385; RNS0385;RF0388;RF0399 Air-Cooled

Manitowoc RF0266A
252 pages
Print Icon
To Next Page IconTo Next Page
To Next Page IconTo Next Page
To Previous Page IconTo Previous Page
To Previous Page IconTo Previous Page
Loading...
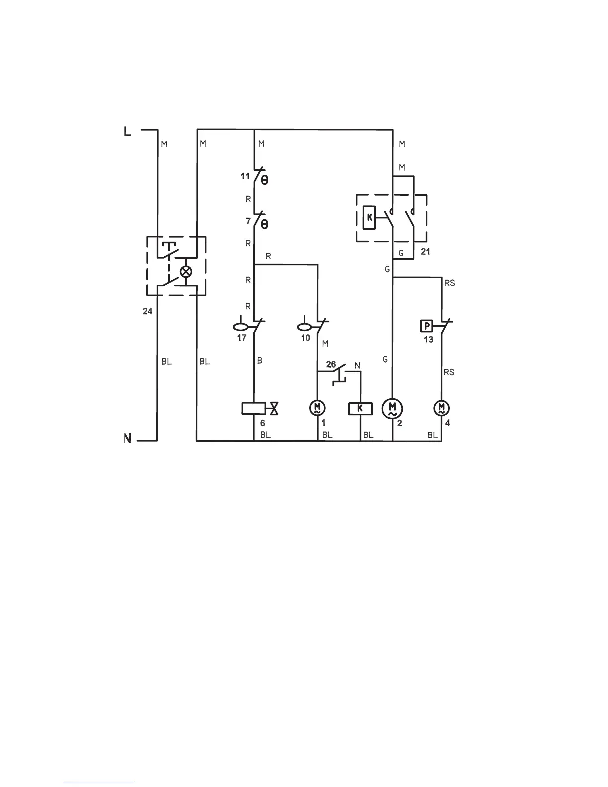
196 Part Number 000007661 6/13
Flake Models
RF0244/RNS0244/RF0266/RF0385/RNS0385/
RF0388/RF0399 AIR-COOLED
Refer to Nameplate for Voltage Rating

Table of Contents

Related product manuals