EasyManua.ls Logo

Manitowoc RF0399A - Nugget Models; RNS0244;RNS0385 Air-Cooled

Manitowoc RF0399A
252 pages
Print Icon
To Next Page IconTo Next Page
To Next Page IconTo Next Page
To Previous Page IconTo Previous Page
To Previous Page IconTo Previous Page
Loading...
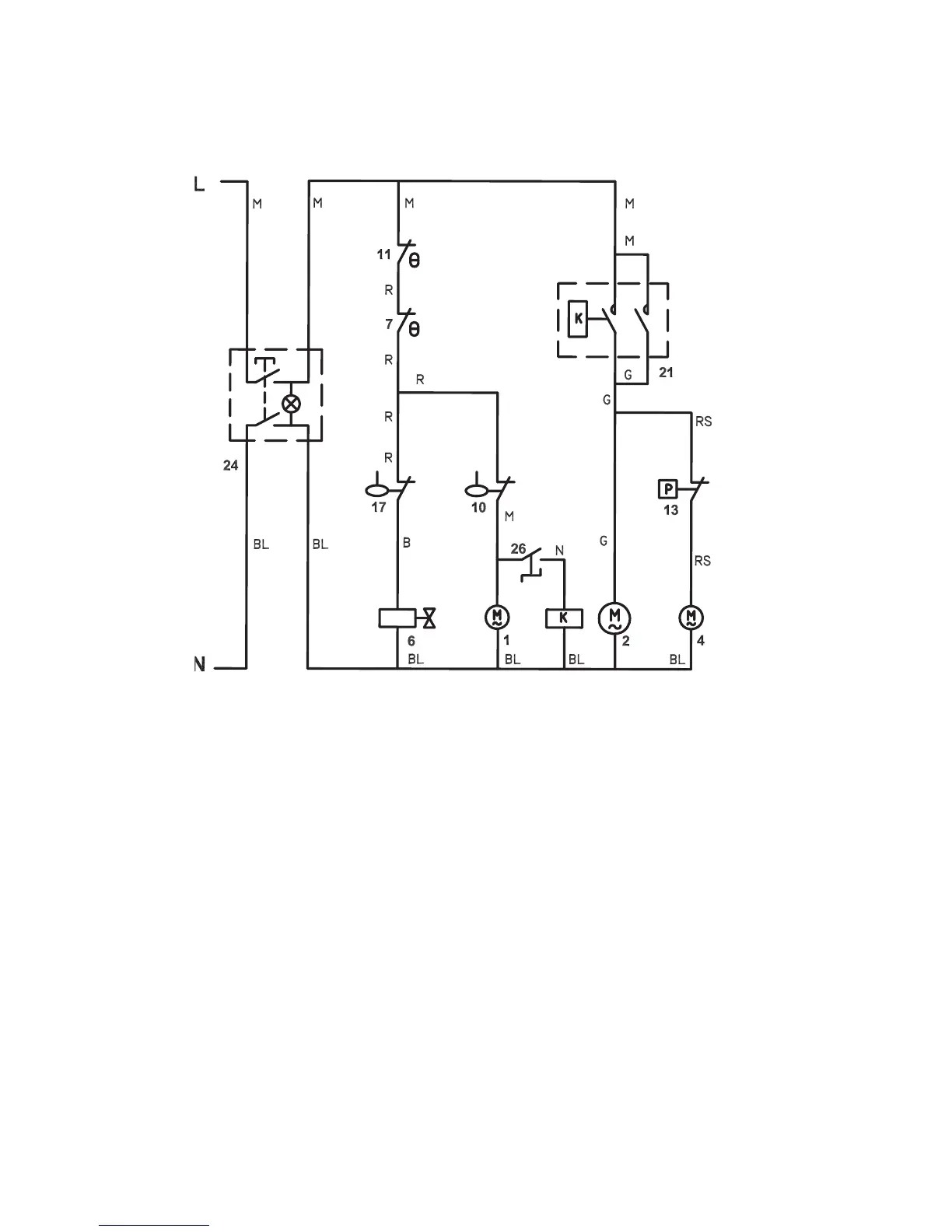
218 Part Number 000007661 6/13
Nugget Models
RNS0244/RNS0385 AIR-COOLED
Refer to Nameplate for Voltage Rating

Table of Contents

Related product manuals