EasyManua.ls Logo

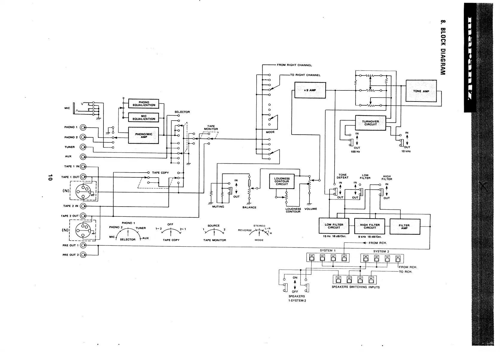
Marantz 3250 - Block Diagram

Marantz 3250
21 pages
Print Icon
To Next Page IconTo Next Page
To Next Page IconTo Next Page
To Previous Page IconTo Previous Page
To Previous Page IconTo Previous Page
Loading...

Other manuals for Marantz 3250

Related product manuals