EasyManua.ls Logo

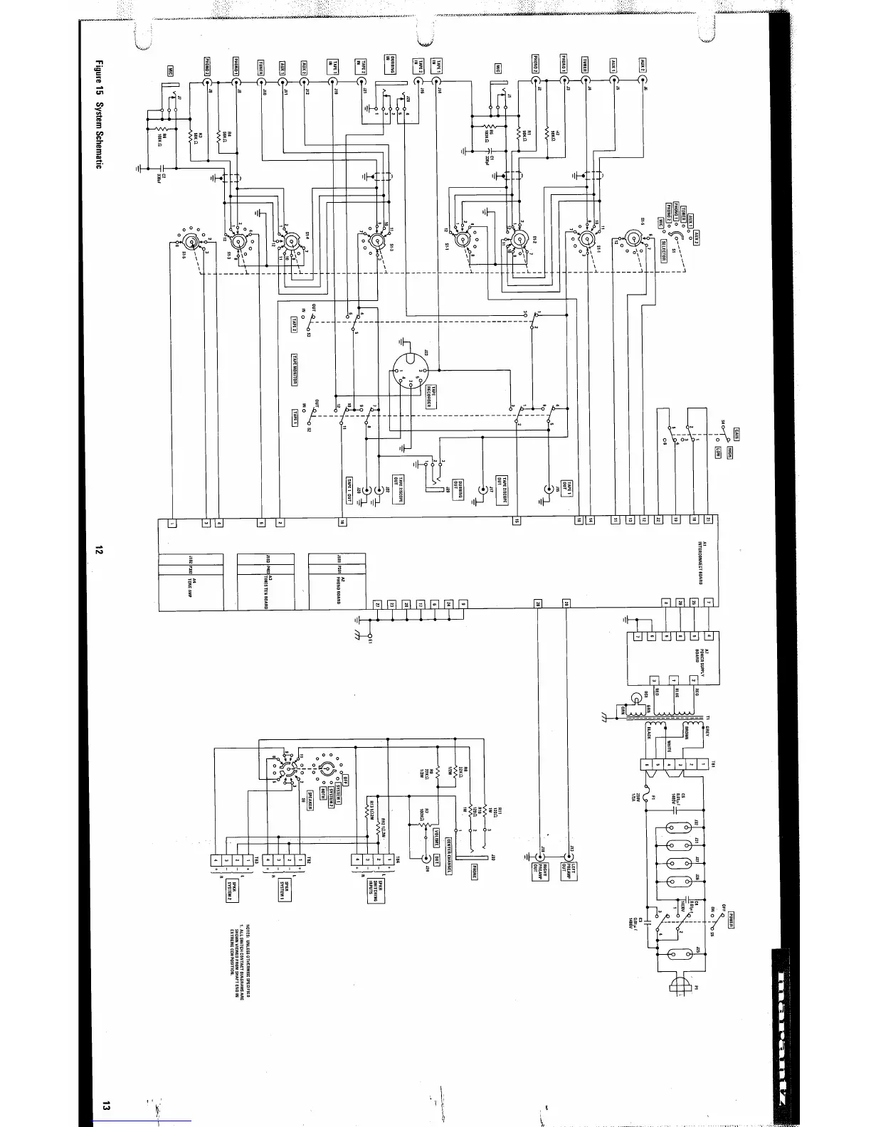
Marantz 3300 - System Schematic

Marantz 3300
36 pages
Print Icon
To Next Page IconTo Next Page
To Next Page IconTo Next Page
To Previous Page IconTo Previous Page
To Previous Page IconTo Previous Page
Loading...

Related product manuals