EasyManua.ls Logo

Marantz 74 CD38/02B - Wiring Diagram; Component Interconnections

Marantz 74 CD38/02B
38 pages
Print Icon
To Next Page IconTo Next Page
To Next Page IconTo Next Page
To Previous Page IconTo Previous Page
To Previous Page IconTo Previous Page
Loading...
24
24
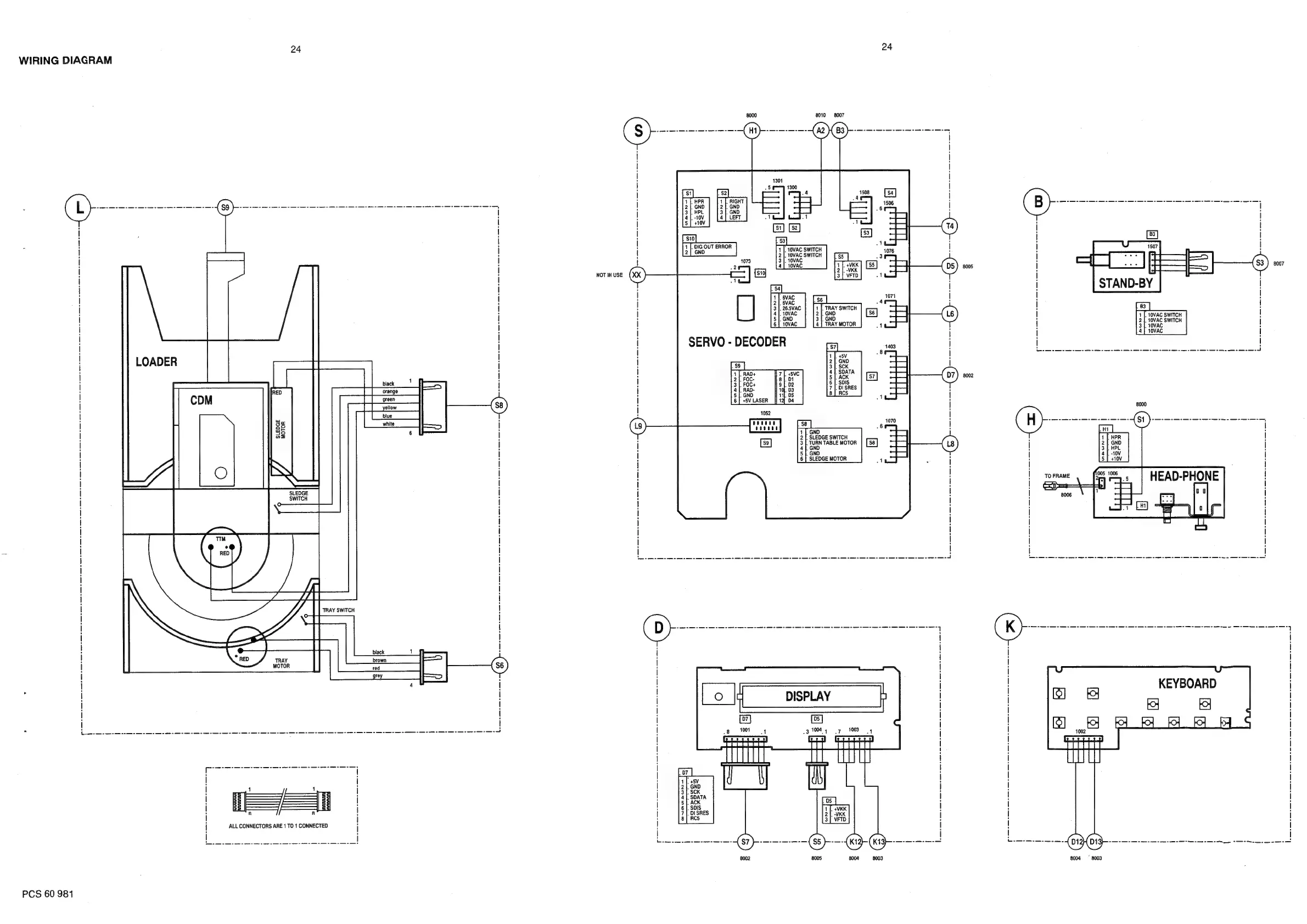
WIRING
DIAGRAM
8007
8010
10VAC
SWITCH
10VAC
SWITCH
1OVAC
10VAC
|
TRAY
SWITCH
.
GND
|.
GND
TRAY
MOTOR
10VAC
SWITCH
10VAC.
|.
1OVAC
SWITCH
.
10VAC
SERVO
-
DECODER
NOT
IN
USE
KEYBOARD
TURN
TABLE
MOTOR
GND
SLEDGE
SWITCH
GND
SLEDGE
MOTOR
oe
ee
eee
TRAY
SWITCH
ALL
CONNECTORS
ARE
1
TO
1
CONNECTED
8004
=
8003
PCS
60
981

Related product manuals