EasyManua.ls Logo

Marantz 74 CD38/02B - Decoder Circuit Diagram

Marantz 74 CD38/02B
38 pages
Print Icon
To Next Page IconTo Next Page
To Next Page IconTo Next Page
To Previous Page IconTo Previous Page
To Previous Page IconTo Previous Page
Loading...
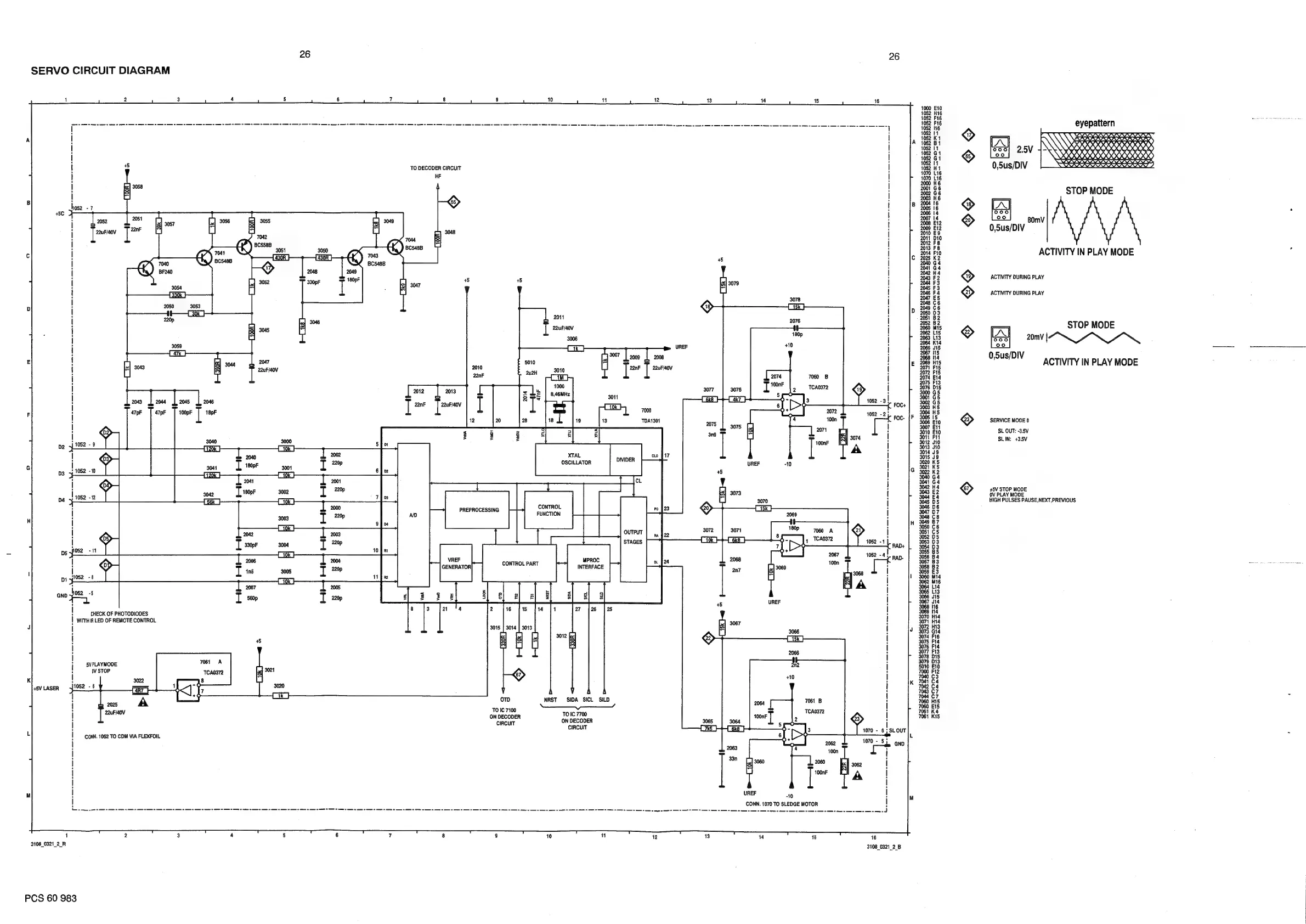
SERVO
CIRCUIT
DIAGRAM
CHECK
OF
PHOTODIODES
WITHIR
LED
OF
REMOTE
CONTROL
5VPLAYMODE
oV
STOP
1052
-
6
o>
2025
22uF/40V
.
CONN.
1052
TO
CDM
VIA
FLEXFOIL
1
2
3108_0321_2_R
PCS
60
983
26
TO
DECODER
CIRCUIT
1907
|
2009
|
2008
3010
x
I
22nF
22uF/40V
(iM)
1000
8,46MHz
3011
-=
[10k
j
7000
28
13
TDA1301
19
XTAL
OSCILLATOR
CONTROL
ie
FUNCTION
is
outPuT
al
STAGES
MPROC
INTERFACE
2
16
15
1
27)
426
«|
25
CONTROL
PART
14
3015
|
3014
|
3013
BA
E
€)
y
y
A
fh
f
oT
NRST
SIDA
SICL
SILD
Ye
TO
IC
7100
TO
IC
7700
ON
DECODER
CIRCUIT
ON
DECODER
CIRCUIT
13 14
26
13
14
15
~
|
1070
-
6
|
SLOUT
1070
-
54
GND
16
3108_0321_2.B
(000
E10
BRR
BRR
were’
maaan
=
=
OX,
SSSSRRRRASRRR
MMT
Coo
TS
OOt-
HK
TTIOOaToOx*
MAAD
Becaueases
ya
TOM
nangnaears
PEE
WHO:
NNVOAAUAVOND
RAVGOOSo;
1
TPWWIVOCOMTTNTNTNTOOR
REUR
SSSR
EDeEeD
8
aaa
B88e55
apeee2
=
I
=
3858
So2S525
8
mmm,
288
fan
BESSEEREERSES
etait
BRaRE
FA
or
ONO
LUGWUUATONAUNSNS
Saw
oOo
FEMMDDVDVDCONOWOVCSCUMMIOOAARK
quneuaes
8
“9
EEEEREERE
QuTwOrtz=a=!
AODRORGaD>®:
gg
i}
LN
M4
eyepattern
POS
if
la
aN
aS
aa
av
ar
avav
ara
arara
roar
O50]
2,5V
Fr
RRPOQQYEQYHOYS
OX
SORES
EEK
0,5us/DIV
~OCCCOOOOOOOOO
STOP
MODE
Xe}
80mV
0,5us/DIV
ACTIVITY
IN
PLAY
MODE
ACTIVITY
DURING
PLAY
ACTIVITY
DURING
PLAY
|
STOP
MODE
Cx.)
s
20mV
ie
ie
ae
0,5us/DIV
ACTIVITY
IN
PLAY
MODE
SERVICE
MODE
0
SL
OUT:
-3.5V
SLIN:
4+3.5V
+5V
STOP
MODE
OV
PLAY
MODE
HIGH
PULSES
PAUSE,NEXT,PREVIOUS

Related product manuals