EasyManua.ls Logo

Marantz CD-42MKII - Page 45

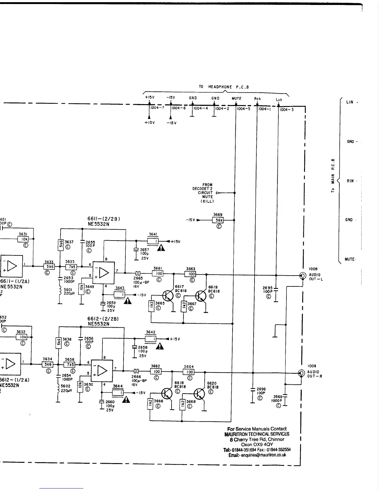
Marantz CD-42MKII
52 pages
Print Icon
To Next Page IconTo Next Page
To Next Page IconTo Next Page
To Previous Page IconTo Previous Page
To Previous Page IconTo Previous Page
Loading...

Related product manuals