EasyManua.ls Logo

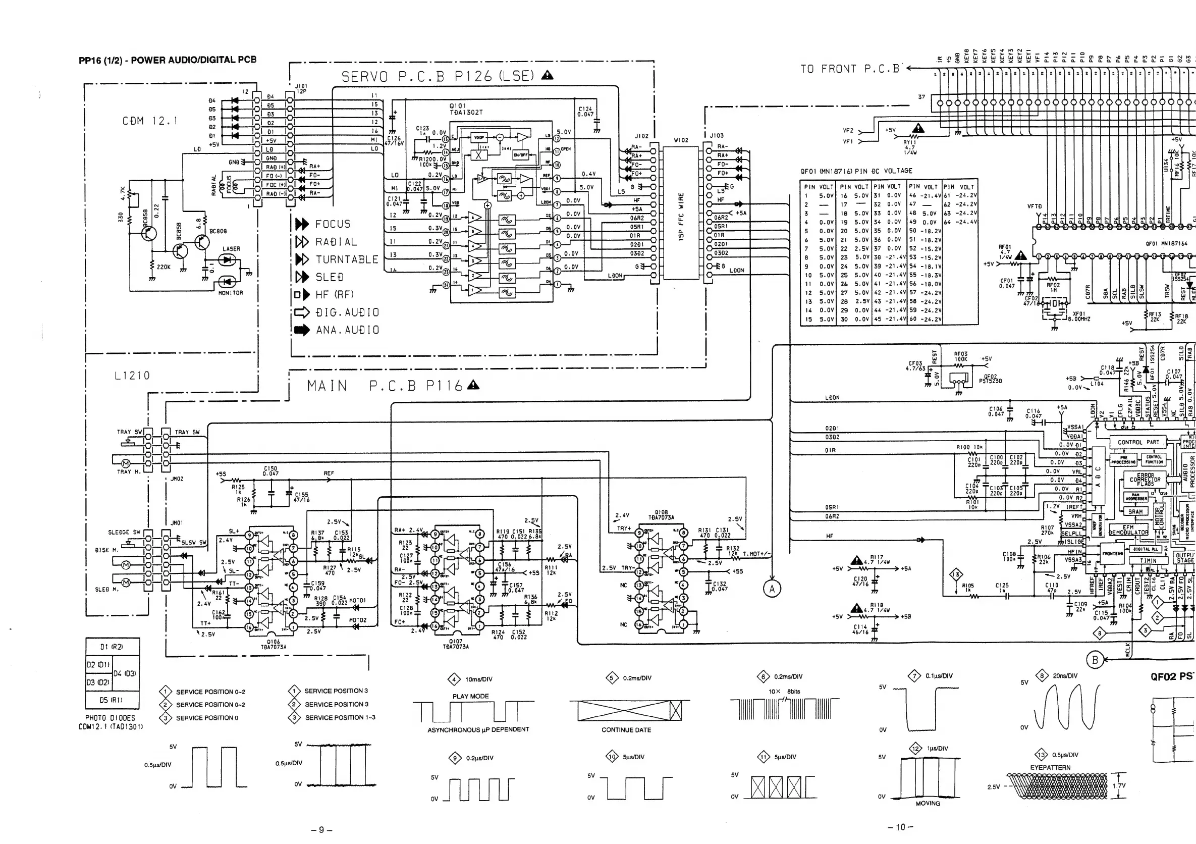
Marantz CD-67 - Circuit Diagrams and DC Voltage Checks; Power Audio;Digital PCB Circuitry; Servo PCB Circuitry; DC Voltage Measurement Points

Marantz CD-67
19 pages
Print Icon
To Next Page IconTo Next Page
To Next Page IconTo Next Page
To Previous Page IconTo Previous Page
To Previous Page IconTo Previous Page
Loading...
PP16
(1/2)
-
POWER
AUDIO/DIGITAL
PCB
‘aaee
ade
aeaaa
yee
ieee
ee
ee
eee
eee
ESE
et
ileereeeeessye:
ag
RM
PCB
Pe
oe
TTT
12P
eee
[Besgoperbaggogoa
gases
gos
god go.
0
ra
p+
tet
ete
ee
io
8)
oh]
oy
;
ee ee
Glins
LcaL
aso
ase
ee
ee
10
an
I
y103
15
=
i
R
—2D
ot
on
xO
o
°
<
RFI7
10K
|
|
l
|
C126
Ke
47/1
6V
1.2
4
VFI
RYII
+5V
:
aaRA-
ar
4.7
©
7
)
«
Ray
aw
RAD
wll
an
RAt
+@
Ss
ror
:
Lroci
lol
ag
FOR
LO
0.2V,
:
FO+
QFO1
(MN18716)
PIN
BC
VOLTAGE
5
FO+
1
(eae
HOF
=o
FZ
s.
ov
.
Ok
6
PIN
VOLT|PIN
VOLT
}PIN
voLT
|PIN
VOLT
AD
NO
4
cit
Oe
ov]
16
S.0v]31
0.0V
;
04
is
5
=
a
T
:
©
17
32
0.0V
;
VETO
.
:
4
:
alLalaLaLaleaLalale
aLalela
@
>4)-<9-69-63-6}-69-€3-6)-63-6}-6)-69-4)-49
Ww
x
S
0
e
12
0.2V
o
O--<
18
ov}33
0.0V
|
>>
ReCUS
i
oe
19
5.0V134
0.0V
;
OSR!
:
Pw
A
;
mn
'
2
O33
a
OF
20
5,0V135
0.0V
eet
3
>>
RADIAL
WW
0.2V
=
O-
21
5.0v/36
0.0V
:
|
oes
22
2.5V]37
0.0V
RFOI
GFO!
MNI87164
0302
:
38
-21.4V
o4V
40
-21.4V
o4V
7
4V
~4V
-4V|
~4V
23
24
25
26
27
28
23
0.0V
30
ea
DP
SLED
[o>
HF
(RF)
i>
DIG.
AUDIO
l=
ANA.
AUDIO
eee
eee
ee
eee
eee
comes
©
ees
ee
2
ee
©
en
©
ene
ee
©
eS
SE
©
ES
©
OE
©
oS
©
©
es
©
ones
©
oo
©
|
MAIN
P.C.B
PI164
°o
<
SLSW
4,7
iw
ie
P-P-D-O-G0-D-O-O-9-)-9-9--9---B
°
a
4
1S8254
CFOI
a
0.047
RFO2
e
J
1M
i
b
bri
Q
CF
02)
Or
o
l
|
a
le
47/180
I
1
yro1
RFI3
i
aaa
my
22K
me
L1210
|
panne
tray
sw[_]
[—]
Tray
sw
i=
R146
22k
RAB
0.0V
ain
R100
10K]
|
9108
TOA7073A
2.
VSSA2
trY+
A,
R107
c
(5)
R13
s
270«
|SELPLL
2.5V
1SLIGE]
=
=
Loiorma
aL]
s
R117
C108
c
4.7
174W
de
vSSA3,]
2.5V_TRY~
iss
+5V
+5A
Ss
C120
at
pees
BLS
sl
cl
a
Qa
>
HERI
LIREF
TESTI
47/16
RIOS
C125
cio
1k
th
470
2.5V
RIB
C109
yt5A
dp
7
'
Vay
i
tus
i
My
+58
0.047
C154
Rise
0.022
MOTO!
MCLK
.
_
.
Oo,
|
T0A70734
,
<>
10ms/DIV
&
0.2ms/DIV
>
0.2ms/DIV
0.1ps/DIV
if
<8»
20ns/DIV
QFO2
PS’
5
SERVICE
POSITION
0~2
SERVICE
POSITION
3
Se
ouaeae
Oi
abhe
5V
SERVICE
POSITION
0-2
SERVICE
POSITION
3
WN
"|
|
|
it
PHOTO
DIODES
SERVICE
POSITION
0
SERVICE
POSITION
1-3
|
|
CDM12.1
(TADI301)
ASYNCHRONOUS
pP
DEPENDENT
CONTINUE
DATE
ov
or
5V
5V
<>
tus/DIV
3
>
0.2us/DIV
<>
Sus/DIV
<>
S5ys/DIV
5V
<>
0.5ys/DIV
0.5ps/DIV
0.5ys/DIV
H
rm
m
;
EYEPATTERN
5V
5V
5
SRR
RRRRE
ov
OV
_
WRK
OA
2.5V
Nissan
seaeevedeenaencdcneinl
ov
ov
ov
ov
LVR
MOVING
29
~—10-

Related product manuals