EasyManua.ls Logo

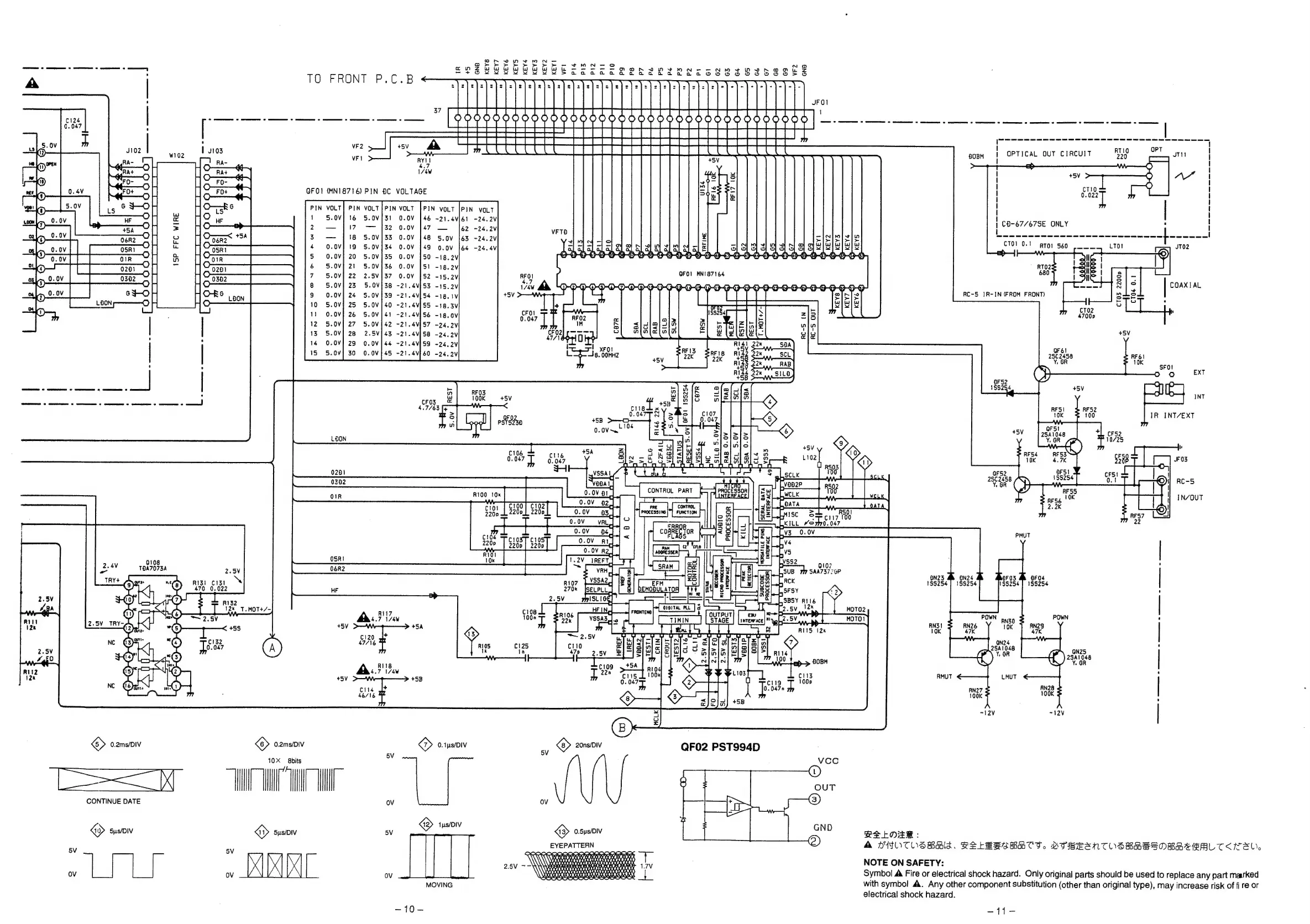
Marantz CD-67SE - Front PCB Schematic and Waveforms; PY16 Front PCB Schematic; Signal Waveform Analysis

Marantz CD-67SE
19 pages
Print Icon
To Next Page IconTo Next Page
To Next Page IconTo Next Page
To Previous Page IconTo Previous Page
To Previous Page IconTo Previous Page
Loading...
13}
KEY8
wee
SS
sy,
Nn
o@
gy
ao
;
=~
NM
+
wr
an
a
SS8SESSSESESES
Fro
88
<P
PEETT
ET
TUNTTETT
PUTT
TT
ee
7
[1
909999950009959000
0
00bdbbbbbbSbbbbbSS]
[
PE+-+$-++-+-
4
=—san
a
Ppt
|
a
H
L_
||
[
1
VF2
+5V
A
KEY7 KEYS KEYS
KEY4
KEYS KEY2
KEY!
08M
OPTICAL
OUT
CIRCUIT
RTO
PT
ny
25
5.0V
26
5.0V
1
I
!
&
;
AZ
|
nS
!
|
c
!
I
PIN
VOLT
|
PIN
VOLT
H
|
ira}
«
16
5.0V131
0.0V
5
17,
|32
0.0V
|
CO-47/67SE
ONLY
na
18
5.0V/33
0.0V
wee
ee
Le!
re
19
S.0V
0.0V
C101
0.1
pto1
5460
JT02
a
20
5.0V
=
21
5.0V
22
2.8V
8
|
-
23
«5.0V
6-49-4946
6>-62-63-6)~6
63-6)
al?
|
comxian
;
=
26
5.0V
RC-5
1R-1N
(FROM
FRONT)
mobs
masad
es.
|
OF
U
i
RFO2
«
ols
|
27
«+5.0V
1M
5
a
ia
28
2.5V
gy
Sth
1
o
alnln
+sv
;
29
0.0V
|
1
ei
|
30_0.0V
Cpe
te
re
SFO!
|
ore)
EXT
6
emcees
5’
Seger
(oem
3
_|
RFOS
+5V
INT
IR
INT/EXT
+t
crs2
10725
ie
Fi
558
cs!
x
aaah
es
Ft
=
REO
SZL
Misc
&
=}en
2
6117
100
Sa
T
kit,
“ezb0.047
2
PMUT
yi
;
ie
1.2V_IREFT,
2.4
S
:
N23
F03
M
OF
04
TRY+
\
107
LVSSAz¢I
$8286
195254]
186256
HF
:
270k
|SELPLL
J
.
?
2.5V
1SLIGE]
2k
T.MOT+/=
aie
$198
Pore
POWN
POWN
A)
1/4W
.
2.5V_TRY~
ae
+5V
+5A
i
a?
RNS
I
RN26
ay
ANZ
10K
47k 47k
c120
4
2.5V
NC
47/16
RIOS
c125
cio
aA
4792.5
2541048
N25
eae
(fr)
2saices
aii
SS
IY.
GR
A:
7
1/6W
Tien
.
2n
.
ron
isp
f
RMUT
LMUT
cis
Ae
RN27
RN28
46/16
<>
100K
100K
-12¥
-12V
5
>
0.2ms/DIV
®
0.2ms/DIV
”»
O.1ps/DIV
20ns/DIV
BV 5V
10X
8bits
SY
CONTINUE
DATE
ov
ov
>
tys/DIV
<>
susio1v
>
suso1v
sv
{>
osys01v
REED:
ey
i
EYEPATTERN
A
PHOTISRAS.
LELSSSRRCT.
UTHESENT
SRRSSORRAGAL
TKKEL
2.5V
ae
ae
NOTE
ON
SAFETY:
‘i
MXR
AAD
,
.
s
Ca
ov
ov
ov
TREE
{
Symbol
A
Fire
or
electrical
shock
hazard.
Only
original
parts
should
be
used
to
replace
any
part
marked
MOVING
with
symbol
A.
Any
other
component
substitution
(other
than
original
type),
may
increase
risk
of
fi
re
or
electrical
shock
hazard.
-10-
-11-

Related product manuals