EasyManua.ls Logo

Marantz DV-17 - Page 50

Marantz DV-17
73 pages
Print Icon
To Next Page IconTo Next Page
To Next Page IconTo Next Page
To Previous Page IconTo Previous Page
To Previous Page IconTo Previous Page
Loading...
D 1/3
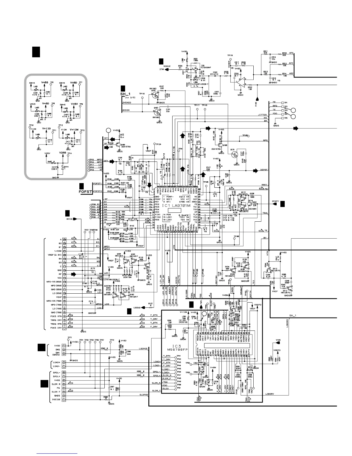
DVDM ASSY
(VWS1446, VWS1449, VWS1447,
VWS1448 VWS1450)
2/3
D
2/3
D
2/3
D
2/3
D
2/3
D
2/3
D
2/3
D
CHECKER CHIP
IC5
BA4510F
1/2
CN4
DKN1193
CN3 VKN1763
CN2
S2B-PH-SM3
CN1
S3B-PH-SM3
LOADING
MOTOR
ASSY
PICKUP ASSY
CN202
B
CN101
A
2SC4081
RF IC
SPDL & FTS DRIVER
IC3
1
2
4
7
DTC114EUA
(DVD)
(DVD)
(DVD) (DVD)
(CD)
(CD)
(T)
(F)
(F)
(F)
(F)(F)
(T)
(T)
(T)
(T)
(F)
(S)
(S)
(T)
(T)
(T)
(F)
(F)
(F)
(S)
(S)
(S)
(F)
(T)
(T)
(F)
(F)
(F)
(F)
(F)
(T)
(T)
(T)
(T)
(T)
3.1.3 DVDM ASSY (1/3)
3-3

Related product manuals