EasyManua.ls Logo

Marantz DV-17 - Page 60

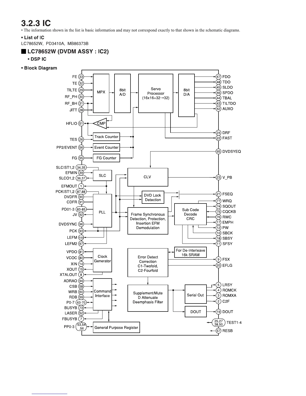
Marantz DV-17
73 pages
Print Icon
To Next Page IconTo Next Page
To Next Page IconTo Next Page
To Previous Page IconTo Previous Page
To Previous Page IconTo Previous Page
Loading...
3-13

Related product manuals