EasyManua.ls Logo

Marantz DV7000 - 1.12 Schematic Diagram and Parts Location

Marantz DV7000
59 pages
Print Icon
To Next Page IconTo Next Page
To Next Page IconTo Next Page
To Previous Page IconTo Previous Page
To Previous Page IconTo Previous Page
Loading...
1-17 1-18
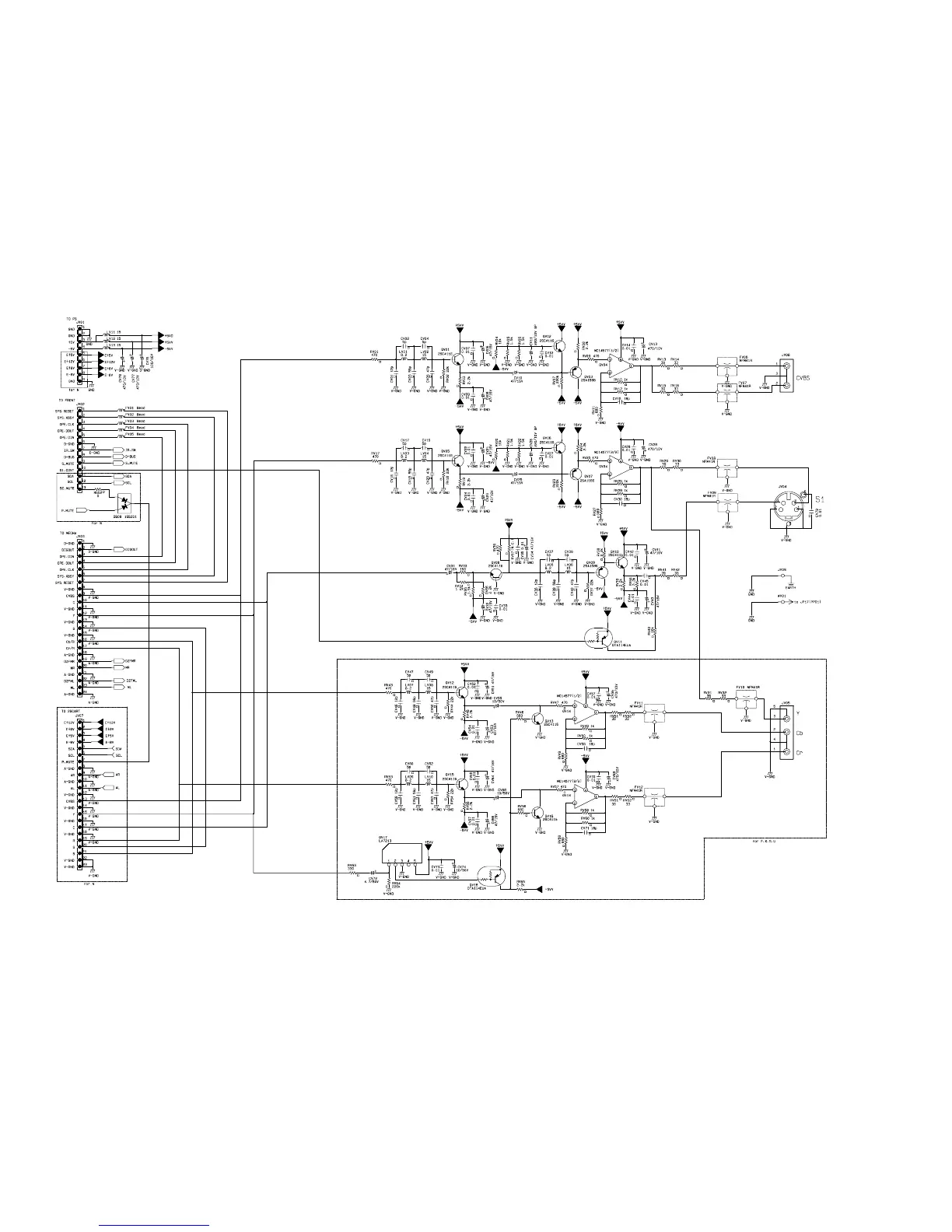
1.12 SCHEMATIC DIAGRAM AND PARTS LOCATION

Related product manuals