EasyManua.ls Logo

Marantz DV7000 - Page 19

Marantz DV7000
59 pages
Print Icon
To Next Page IconTo Next Page
To Next Page IconTo Next Page
To Previous Page IconTo Previous Page
To Previous Page IconTo Previous Page
Loading...
1-21 1-22
FB SWITCH
4V
0V
RGB SWITCH
C SWITCH
Y/CVBS SWITCH
C SWITCH
Y/CVBS SWITCH
VCR SWITCH
TV SWITCH
64
6dB
6d
B
6d
B
6dB
6dB
6dB
0/6dB
0/6dB
-14dB
0/6dB
-14dB
0/6dB
STEREO/
MONO
2
LOUT_TV
ROUT_TV
8
AOUT_RF
60
62
ROUT_VCR
LOUT_VCR
58
59
LOUT_CINCH
ROUT_CINCH
7
5
COUT_VCR
YCVBSOUT_VCR
25
27
SLOW BLANK,
I/O MONITOR
SLB_TV
SLB_VCR
3
YCVBS/OUT_TV
6d
B
61
63
17
GOUT_TV
BOUT_TV
FBOUT_TV
1
RCOUT_TV
9
VOUT_RF
11
FILTER
TRAP
B_ENC
B_VCR
B_ENC
G_ENC
G_VCR
R/C_ENC
R_VCR
MUTE
R/C_ENC
C_ENC
C_VCR
MUTE
MUTE
MUTE
MUTE
MUTE
MUTE
Y_ENC
CVBS_STB
CVBS/Y_VCR
CVBS/Y_ENC
L_ENC
L_STB
L_VCR
R_ENC
R_STB
R_VCR
L_ENC
L_STB
L_TV
R_ENC
R_STB
R_TV
R/C_ENC
C_ENC
C_TV
CVBS/Y_TV
CVBS_STB
CVBS/Y_ENC
Y_ENC
43
39
56
47
53
49
45
41
38
34
52
50
36
54
48
40
42
28
30
44
46
32
18
19
FBIN_ENC
FBIN_VCR
(see Note 1)
BIN_ENC
BIN_VCR
(see Note 1)
GIN_ENC
GIN_VCR
(see Note 1)
RCIN_ENC
RIN_VCR
(see Note 1)
CIN_ENC
CIN_VCR
CIN_TV
YCVBSIN_ENC
YCVBSIN_VCR
CVBSIN_STB
YCVBSIN_TV
YIN_ENC
LIN_ENC
LIN_STB
LIN_TV
LIN_VCR
RIN_ENC
RIN_STB
RIN_TV
RIN_VCR
STV6411A
STEREO/
MONO
I
2
C BUS
DECODER
SCL
SDA
21
22
64
63
62
61
60
59
58
57
56
55
54
53
52
51
50
49
17
18
19
20
21
22
23
24
25
26
27
28
29
30
31
32
16
15
14
13
12
11
10
9
8
7
6
5
4
3
2
1
33
34
35
36
37
38
39
40
41
42
43
44
45
46
47
48
ROUT_TV
GNDA
RIN_TV
V
CCA
YCVBSIN_TV
V
REF
GOUT_TV
LOUT_VCR
BOUT_TV
ROUT_VCR
LOUT_CINCH
ROUT_CINCH
CIN_TV
LIN_TV
LIN_VCR
YCVBSIN_VCR
FBOUT_TV
FBIN_VCR (see Note 1)
FBIN_ENC
ADD
SCL
SDA
V
CC12
NC
SLB_TV
NC
GNDV1
SLB_VCR
RIN_VCR (see Note 1)
GIN_VCR (see Note 1)
NC
BIN_VCR (see Note 1)
RCOUT_TV
V
CC1
CVBSIN_STB
NC
YCVBSIN_ENC
LOUT_TV
YCVBSOUT_TV
NC
COUT_VCR
NC
YCVBSOUT_VCR
AOUT_RF
VOUT_RF
GNDV3
FILTER
V
CC3
NC
GNDV2
V
CC2
NC
NC
YIN_ENC
RIN_STB
CIN_ENC
RCIN_ENC
LIN_STB
RIN_ENC
GIN_ENC
LIN_ENC
BIN_ENC
RIN_VCR
CIN_VCR
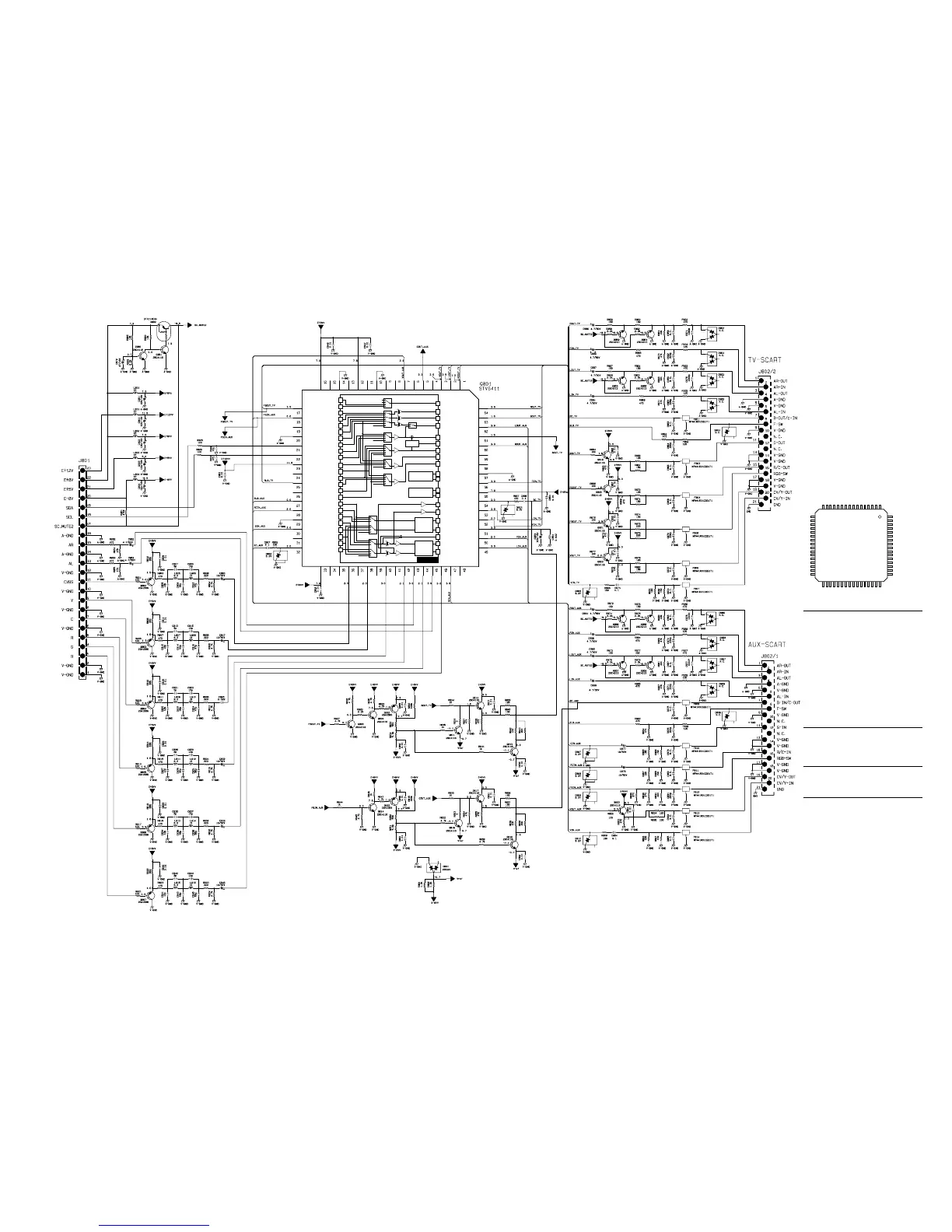
Pin Number Symbol Description
1 RCOUT_TV Red/chroma Output, to TV Scart
2 LOUT_TV Audio Left Output, to TV Scart
3 YCVBSOUT_TV Y/CVBS Output, to TV scart
4 NC Not Connected
5 COUT_VCR Chroma Output, to VCR Scart
6 NC Not Connected
7 YCVBSOUT_VCR Y/CVBS Output, to VCR Scart
8 AOUT_RF Audio (L+R) Output to RF Modulator
9 VOUT_RF Video (CVBS) Output to RF Modulator
10 GND V3 Video Switches Ground 3
11 FILTER Chroma Trap Filter
12 V
CCV3
Video Switches Supply 3 (8V)
13 NC Not Connected
14 GND V2 Video Switches Ground 2
15 NC Not Connected
16 V
CCV2
Video Switches Supply 2 (8V)
17 FBOUT_TV Fast Blanking Output, to TV Scart
18 FBIN_VCR (see Note 1) Fast Blanking Input, from VCR Scart
19 FBIN_ENC Fast Blanking Input, from Encoder
20 ADD I
2
C Bus IC Address Programmation
21 SCL I
2
C Bus Clock
22 SDA I
2
C Bus Data
23 V
CC12
Slow Blanking Power Supply (12V)
24 NC Not Connected
25 SLB_TV Slow Blanking Input/Ouput from TV
26 NC Not Connected
27 SLB_VCR Slow Blanking Input/Ouput from VCR
28 RIN_VCR (see Note 1) Red Input, from VCR Scart
29 GND V1 Video Switches Ground 1
30 GIN_VCR (see Note 1) Green Input, from VCR Scart
31 NC Not Connected
32 BIN_VCR (see Note 1) Blue Input, from VCR Scart
33 V
CCV1
Video Switches Supply 1 (8V)
34 CVBSIN_STB CVBS Input from STB
35 NC Not Connected
36 YCVBSIN_ENC Y/CVBS Input from Encoder
37 NC Not Connected
38 YIN_ENC Y Input, from Encoder
39 RIN_STB Audio Right Input, from STB
40 CIN_ENC Chroma Input, from Encoder
41 LIN_STB Audio Left Input, from STB
42 RCIN_ENC Red/Chroma Input, from Encoder
43 RIN_ENC Audio Right Input, from Encoder
44 GIN_ENC Green Input, from Encoder
45 LIN_ENC Audio Left Input, from Encoder
46 BIN_ENC Blue Input, from Encoder
47 RIN_VCR Audio Right Input, from VCR Scart
48 CIN_VCR Chroma Input, from VCR Scart
49 LIN_VCR Audio Left Input, from VCR
50 YCVBSIN_VCR Y/CVBS Input from VCR Scart
51 V
REF
Voltage Reference Decoupling
52 YCVBSIN_TV Y/CVBS Input, from TV Scart
53 LIN_TV Audio Left Input, from TV Scart
54 CIN_TV Chroma Input, from TV Scart
55 V
CCA
Audio Switches Supply (8V)
56 RIN_TV Audio right input, from TV Scart
57 GNDA Audio Switches Ground
58 ROUT_CINC H Audio Right Output, to CINCH
59 LOUT_CINCH Audio Left Output, to CINCH
60 ROUT_VCR Audio Right Output, to VCR sCart
61 BOUT_TV Blue Output, to TV Scart
62 LOUT_VCR Audio Left Output, to VCR Scart
63 GOUT_TV Green Output, to TV Scart
64 ROUT_TV Audio Right Output, to TV Scart
Notes :
1. Pins (xx_VCR) ident ified as xx_AUX in STV6410A.
2. In application, all unused pins should be left open or high frequency bypassed to ground.
Q801 STV6411

Related product manuals