EasyManua.ls Logo

Marantz DV7000 - Page 50

Marantz DV7000
59 pages
Print Icon
To Next Page IconTo Next Page
To Next Page IconTo Next Page
To Previous Page IconTo Previous Page
To Previous Page IconTo Previous Page
Loading...
2-22
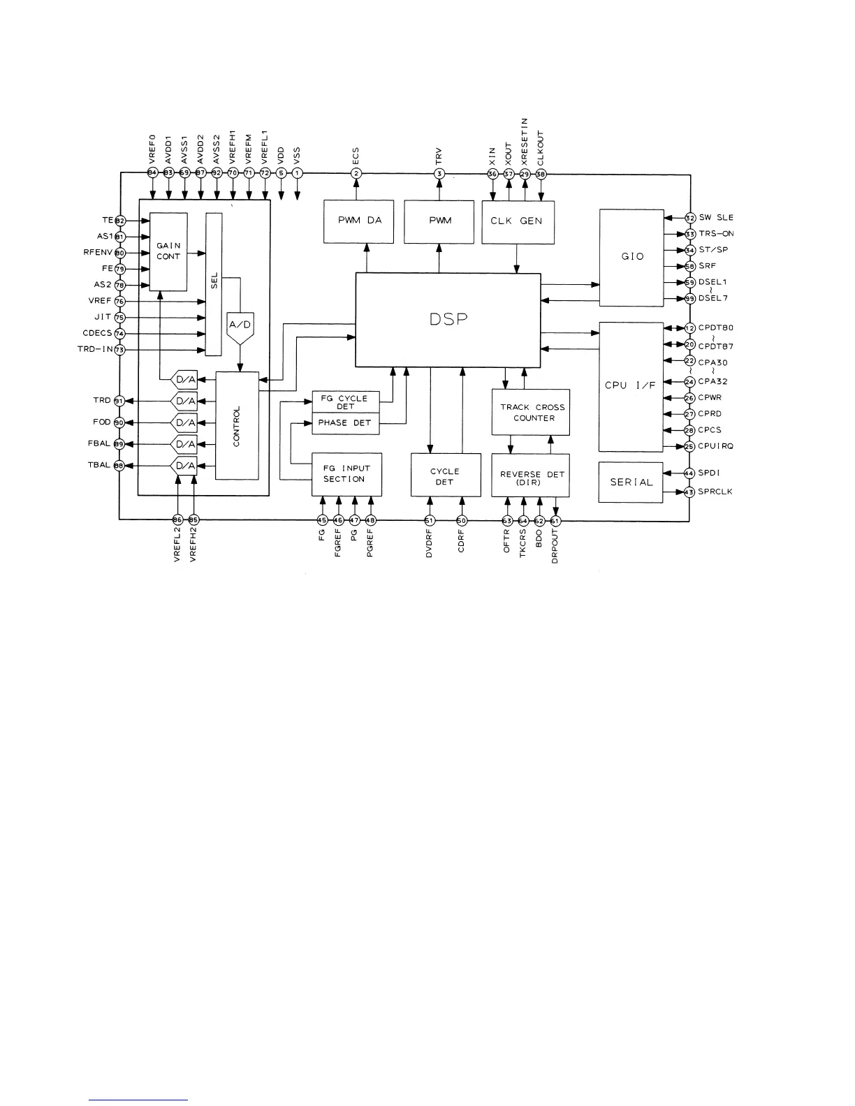
MN67700 (Servo processing IC)

Related product manuals