EasyManua.ls Logo

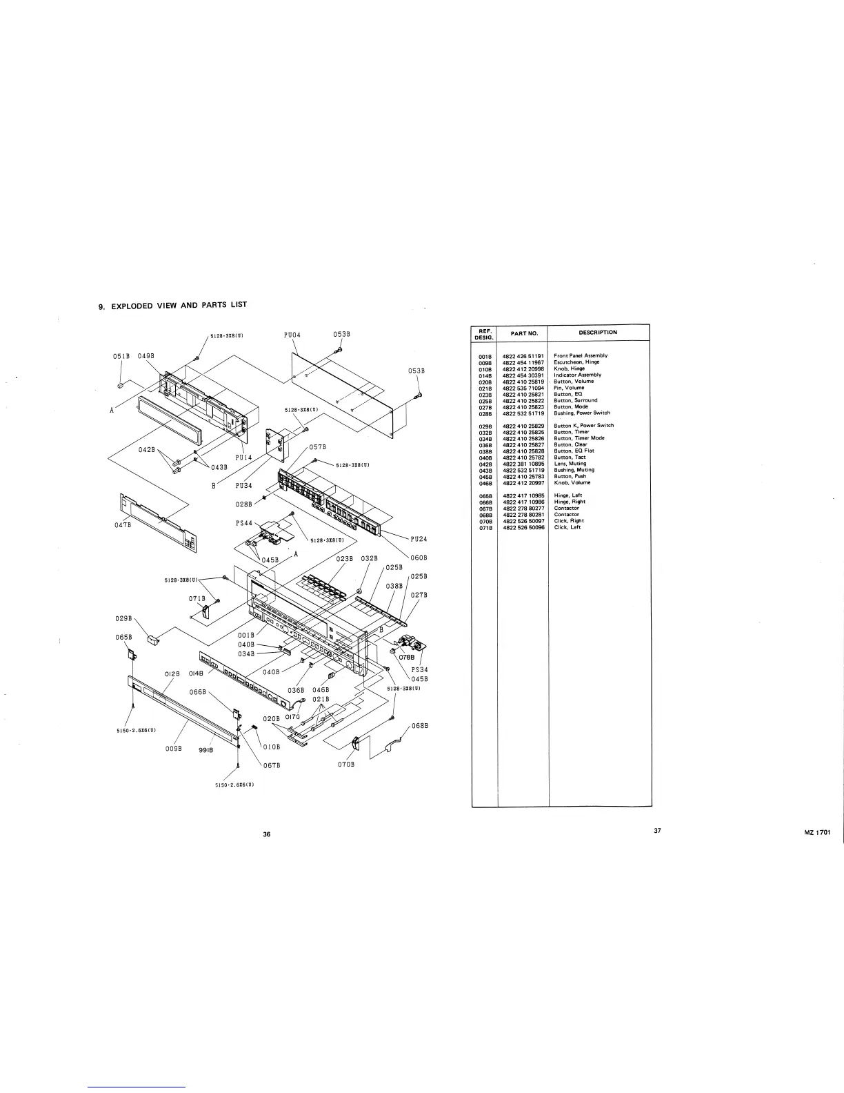
Marantz MX673 - EXPLODED VIEW AND PARTS LIST

Marantz MX673
107 pages
Print Icon
To Next Page IconTo Next Page
To Next Page IconTo Next Page
To Previous Page IconTo Previous Page
To Previous Page IconTo Previous Page
Loading...

Related product manuals