EasyManua.ls Logo

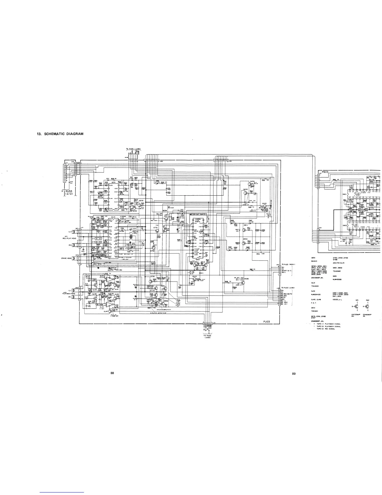
Marantz MX673 - SCHEMATIC DIAGRAM (Deck Section)

Marantz MX673
107 pages
Print Icon
To Next Page IconTo Next Page
To Next Page IconTo Next Page
To Previous Page IconTo Previous Page
To Previous Page IconTo Previous Page
Loading...

Related product manuals