EasyManua.ls Logo

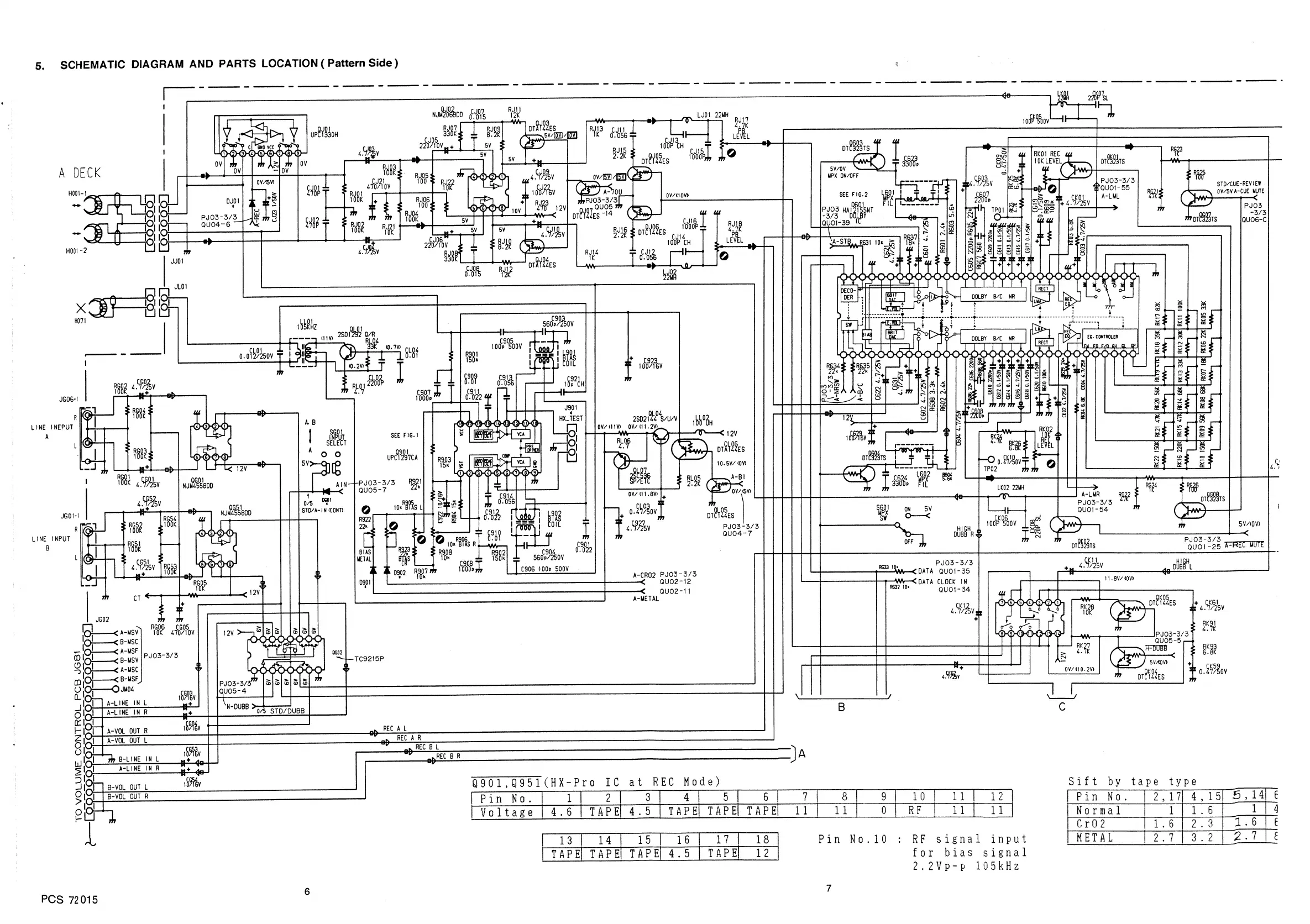
Marantz PMD 510 - 5. SCHEMATIC DIAGRAM AND PARTS LOCATION

Marantz PMD 510
39 pages
Print Icon
To Next Page IconTo Next Page
To Next Page IconTo Next Page
To Previous Page IconTo Previous Page
To Previous Page IconTo Previous Page
Loading...

Related product manuals