EasyManua.ls Logo

Marantz PMD510 - Cascade Operation

Marantz PMD510
16 pages
Print Icon
To Next Page IconTo Next Page
To Next Page IconTo Next Page
To Previous Page IconTo Previous Page
To Previous Page IconTo Previous Page
Loading...
13
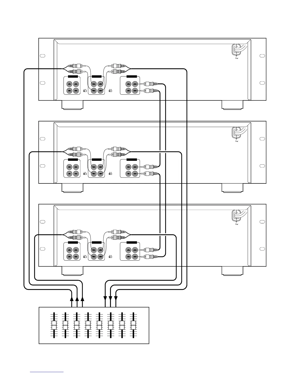
CASCADE OPERATION
Figure 3
LINE
IN OUT
L
R
INPUT
SELECT
A,B A
LINE
IN OUT
L
R
RC-5 EXT
IN
OUT
DECK B DECK A
INPUT
SELECT
A,B A
REMOTE
LINE
IN OUT
L
R
INPUT
SELECT
A,B A
LINE
IN OUT
L
R
RC-5 EXT
IN
OUT
DECK B DECK A
INPUT
SELECT
A,B A
REMOTE
LINE
IN OUT
L
R
INPUT
SELECT
A,B A
LINE
IN OUT
L
R
RC-5 EXT
IN
OUT
DECK B DECK A
INPUT
SELECT
A,B A
REMOTE
OUTPUT INPUT
MIXER
PMD510 #3
PMD510 #2
PMD510 #1

Related product manuals