EasyManua.ls Logo

Marantz pmd520 - Block Diagram; Connection Diagram; Schematic Diagram

Marantz pmd520
4 pages
Print Icon
To Next Page IconTo Next Page
To Next Page IconTo Next Page
To Previous Page IconTo Previous Page
To Previous Page IconTo Previous Page
Loading...
3
Line A
input
Loop
Through
out
Line B
input
A
A,B
A, B
A
B:Rec VR
A:Rec VR
Count Rec
sw A
0dB
-20dB
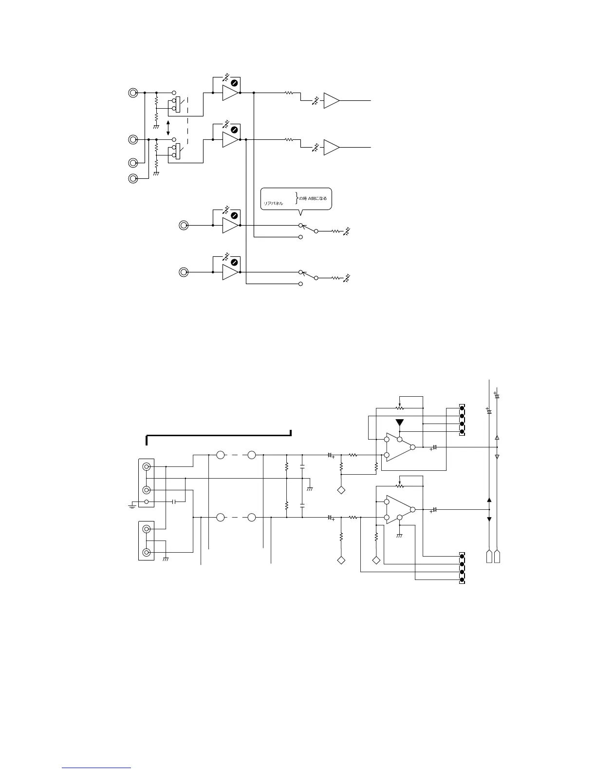
3. BLOCK DIAGRAM
4. CONNECTION DIAGRAM
・PA01 PG01 基板上にコネクタでマウントされています。
5. SCHEMATIC DIAGRAM
・LINE A OUT LEVEL ADJ (PG01-1/8:13p 参照 )
・電源部は USA Version と同じ回路図 (P851:31p 参照 )

Related product manuals