EasyManua.ls Logo

Marantz SC-6 - Page 10

Marantz SC-6
27 pages
Print Icon
To Next Page IconTo Next Page
To Next Page IconTo Next Page
To Previous Page IconTo Previous Page
To Previous Page IconTo Previous Page
Loading...
OBE
QLOS~OLOB.
QLILALIZ
LOB,
QUID,
ALIS,
OLS.
OL16,
O19
6,
OL27,
O20,
0L25,0.26
01.29,
0L30
OL3OLEZ
—QL33,0L34
=
L358,
0136
2425,
0426
Q427~,0430
OLOLQL02
103.
OLO4
QLI7,
QL8,
atai~dc24
Qui
OL28
QL37,
OL38
OL
39~0L42
401,
0402
2403,0404
9409,
0410,
0415,
0416
Q4ti~w
asia
Q417,
A418
9419,
0420
Q421,
0422
9423,
0424
2SKISIForG
2SuSIForG
28022408
2sa9708L
2SA872A,0
of
©
2SC1775A,0
4
E
2SC2Z3S20E@rF
2SC2Z59IQ
OR
2SAIINIQorR
151585
Ma7F
2sc22s9
181855,
2SCITTSA.D
or
E
2SA872A0
rE
2SC2320EorF
250666C
2S8646C
2SC259100rR
2SAllllQarR
=
wo6e
QMOI~
QM08
QMO9~OMIG
OMIT,
OMIG
QMI9,
QM20
QM2t,QM22
M23,
OM24
QM25,0M26
O00!
QD02,
9003
Q004
QEO!,
QE02
9£03,0E04
0€05,0E06
QE07,
QEOS
QE09,
QE10
QE11,
QEI2
E13,
0614
080!
Q80e
9803
0805,0806
9807
9808
2SC2545E
2SA1063E
2SA872A,0
or
E
2SCI775A,0
or
E
2SC2320E
or
F
2S0666C
2S8646C
2SA101S0
of
¥
2SC2320E
or
F
181585
2SC2240GR
2SA970GR
2SA872A,
Dor
€&
2SCI77TSA.00E
2SC2320EorF
2S0666C
258646C
2SC2S9IQorR
2SAlII:QorR
2SC2240GRorB
2SK30Y
2SCIT7SA,D@E
2SABT2A,D
ore
|
PEOO
|
9437
nee!
erivew)
130
a
€423
2200p
‘Raio
wnte)
C424
22009
ssid
$s23
TUNER
ee
1
0
u
PHONO
OFF
SOURCE
rev
R
OFF
TV/AUX
2-1
2
+7468
INPUT
SELECTOR
MOOE
SELECTOR
VOLUME
LOUDNESS
TAPE
COPY
TAPE
MONITOR
BALANCE
(ROEDER
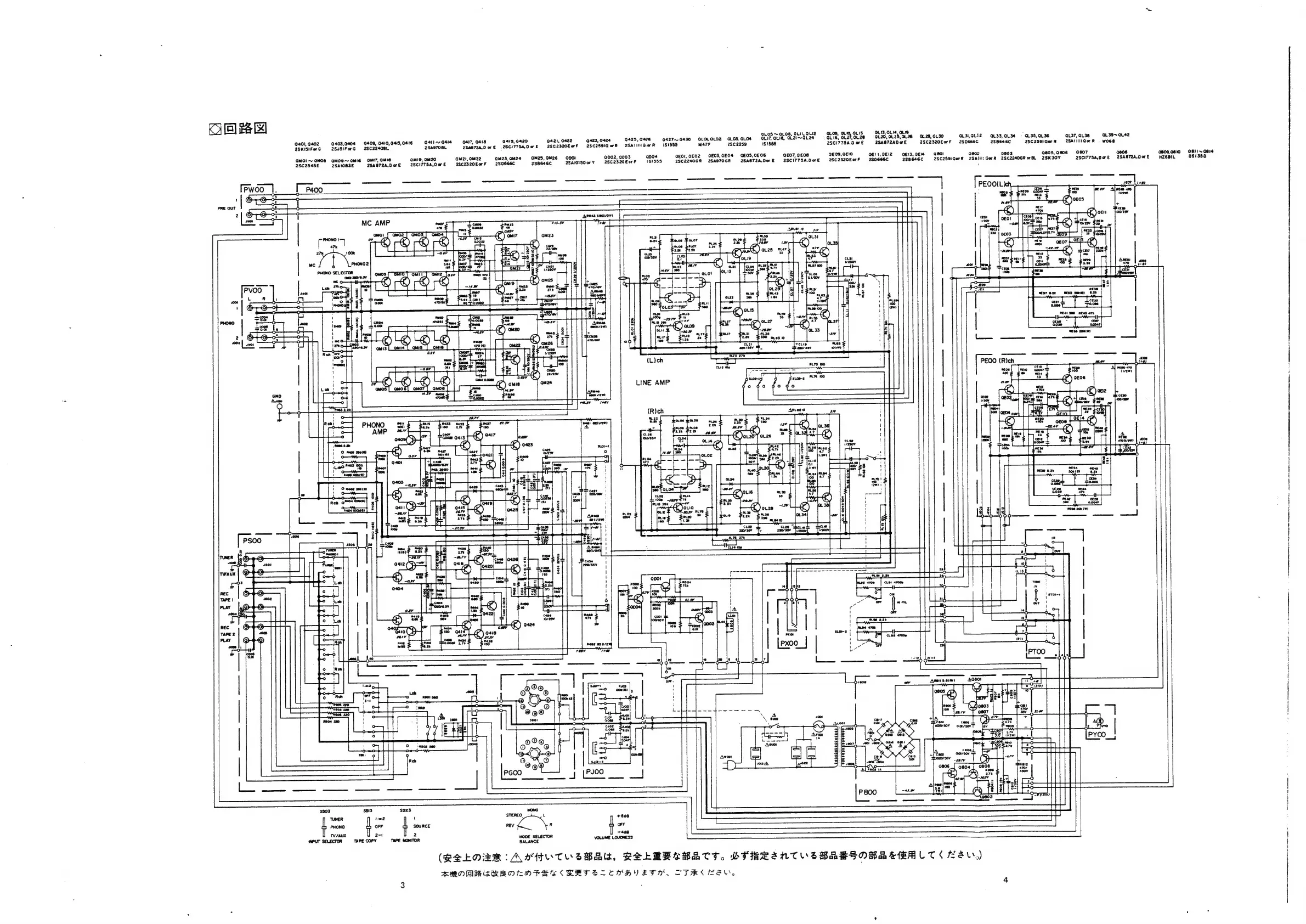
AMHUTOSBRS,
LPEBEGBATH,
LIBESNTOSBRESOBRLEAL
TK
HEL)
AMO
BRISUAROTOFERSBRESZLEMHAV
ETA.
CTR
KEL,
(Rich
neos
‘820
aw
“4
saz
|
1"
at
Ss
Sa
a
[|
mourn
torr
EES
gs
9809,
Hz6BIL
0610
O6li~
Cale
0S1350
nin
ns
ns
ci
tran
im,
cian
Sie
iad
i
ou
caieipmnpsnin
e

Related product manuals