EasyManua.ls Logo

Marantz Sm-10 - Page 3

Marantz Sm-10
24 pages
Print Icon
To Next Page IconTo Next Page
To Next Page IconTo Next Page
To Previous Page IconTo Previous Page
To Previous Page IconTo Previous Page
Loading...
706
7
0708
9709
710
o7l2
713
714
715 716
717
718,720
719,
9721
0722,0723
Be
boas0s0
|r
3e2892F0
13224020
fmosvoeae
NT109701A0
Aiaezeoiao
«1710949180
—«NTS32229180
TSISSBIs0
HT
3/8I52A0
HT!
1015240
HT407571CO
ss
HTZO7I7ICO.
~—-«
HT32238ICO_
-HTIO96BICO
—«HHT
3256420
HT110942A0
30025090
282259
ForG
©
28C2240GRorBL
2970
GRor
BL
2SA970
GR
2802240
GR
2SA949Y
28C229
Y
2SC1568
S
2SCIBI5
Oor
¥
281018
OorY
2SD757C
2se7i7c
28C22380
2SA968
O
2SC2564
Ror
0
2SA1094
RorO
WZ150
«
~
74
0739,
9740
741
oNnol
QNO2~QNO5
QKOI,QKO2,
—-QKO3,
aKO4
ayo!
~
avo4
001
80!
0804
fpseoi0s0
0738,
0742
9700003080
020011010
HP00004230
HC10042050
HO20005010
HDZGOIOZI0-
HD2d00801I0
1119005320
HD20004280
HD
2001
1010
151585
$v-02
wo6c
PTH4B7A(BE)
TA73I7P
woes
1824716
wo6B
GL-9H
$5VB-20
woec
CLASS
A-B
eee
“eee
Rael
Seay
een
Sena
ul
eed
ieeaceeannam
eiieeentns.
Setieetiniens
So
—————E”TE
ooo
eC
$s
PVvOO
7
oe
fa)
:
ing
7
PNOO
SPK.
PROTECTOR
and
A.B
SWITCH
INDICATOR
ASSY
R723
‘R729
a8
—t
[
INPUT
ASSY
0726
ara
Ph
|
Asso
crs
Dior
rue
AAla718
Oeste
MON
jsno7,
YO!
PYOO
I
725
R727
101/72)
"i
°
T
a
iN
2
Git
ve
ge
|
tem
plete
ke
coon
a
JVOl
.
RNO3:
M4
LA.
7
RVO!
5.6K
Q708
\(0.65v).
©
(613V)
VA Ww
O716
.
ik
4.78(8)]
8
8
A
‘0Y03
v1
ant
ih
wae
Be
704
V2)
ov
ara
(?Fars0\
[0720]
A\
das
ad
a
ak
Ine
|
yvO4
1o(w2w)
VP
J
i,
on
ki
na
INPUT
|
|
“sey
(GED
|
“4
t
y
ne!
lei
(wy)
Cc
[o706
TT
NI-T
pit
All
701
aT
R740
380
RTS2
47}
270
os
‘evo4
joroz
cb
(ose
s
0
NO
roe
RYO!
22k
(1W)
R013
<p
ie
i
NOI
ows)
_—
#3
|
eas
na
a9
7
Sone)
R701
tk
le
©
fave
on
on
oe
er
fet
x
ps
om
=
BES
oA
-
707
RNI4
88
S75)
oe
vy
2
(180)
20%
a
z=
ss
4031)
d
eri
8Fe|
=
°
220»
ke
2]
S|
anos
'
sos2sv
¥
iL.
Beotwew)
a
)
R741
3300
R7S3
4.7
Seok
d
R706
R751
1011/2W)
Gf)
erm
Bwia:
3.70
z
hs
rT
(-063))7
SMA
‘22OmWv
see
eet
ah
x4
7
M7
(0.94)
Q721
[area
Y)
|.oome
14
er
Fl]
sp
02/t6V
%
z
¥or24
ya
+4
a
rs
A
CNOS.
AN
Fy
aor
wuvew
[Q719
|
2017800
5
ee
.
s
sroa|
ie
Ny
bad
oO
:
5
5
2)
Jor22
joes
+8
af
P
ene
0.001
58
ros
C
aod
if
>
?
we}
a’
4
rege
P700
(Loch)
58
(
Do
MAIN
AMF.
oO
SPEAKER
JP800
POWER
SUPPLY
_
Tt
re
7
Eo
8
3
C
BLOCK
a
:
G
cKO!
160v
Bso1
PLOO
#
oS
|
an
<a
eed
a
wt
a
t
pty
“fesooorr5v
1
Sw)
choot
:
A,
220/80V
woz
|
.
CLASS
A-B
in
fe)
“a
ea,
i
et
ee
(ee
a
PVOO
y
ae
(640v)
(3880)
(2700)
TPNOO
SPK.
PROTECTOR
and
A.B
SWITCH
INDICATOR
ASSY
INPUT
ASSY
0726
R721
R723
R729
1
C705
aiabel
:
1
RNO!
Ik
(8)
47
2.2k
330-68
[RNOS
13%
|sno7’
—_
HEM
°
iO
aig
ed
eer
:
rr
al
a
soe
:
)
aro
:
ns
“ance
ew)
ang
i)
070
re
Waser
9
wae
ds
py
ek
zen
le.
fav
,
>a]
us"
IBV)
(erm)
‘JNOZ
p
2)
f
|
Q7or
\(zzomv)
woe
sii
a
(ov
o739
|
:
lio
<b
Oo
LNO2
JUNI3.
YO!
2.2k(1W)
r
|
e
|
O
cNOS
Car
on on an
aie
oF
180
am
eos]
S
A
;
Lt“
ee
_JI
‘oO
orion
A
R701
Ik
é
L
°
Franlaaal
(soo
a
creer
or
105
2
Ov
ov
ov
-O7v
1.0V
Ov
L2v
2m
=
Gob 22s
gb8
s
|
v0
ot
O
8
dno}
|
Gav?
or
(7.
7¥)
he
=
|
om
odton
|
=<
ree
ee
eS
e
re
|g
eae
d
|
ie
|
i
|
‘JNOq
>
Pome
Agen]
|e
oo
ae
|
-
33)
7
yer
a
0.01/500V
eee
ee
(O
a
a
al
E
!
So
ai
be
L
658.51)
(-27.0¥)
P700
(Rch)
MAIN
AMP.
|Ps0o
POWER
SUPPLY
=
C
BLOCK
[in
PLOO
1
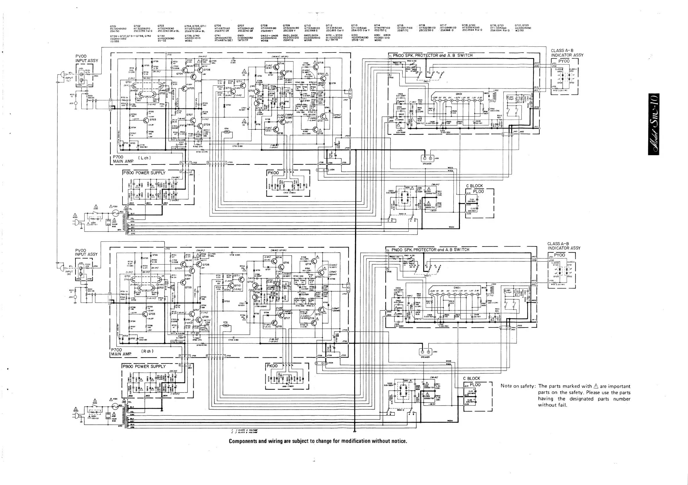
Note
on
safety:
The
parts
marked
with
A\
are
important
parts
on
the
safety.
Please
use
the
parts
|
having
the
designated
parts
number
without
fail.
C803
10.017500V
0.017
ceo4
C640")
CLASS
4
VOLTAGE
oo
CD
AASS
8
VOLTAGE
Components
and
wiring
are
subject
to
change
for
modification
without
notice.
a

Related product manuals