EasyManua.ls Logo

Marksman M11a - Page 30

Default Icon
32 pages
Print Icon
To Next Page IconTo Next Page
To Next Page IconTo Next Page
To Previous Page IconTo Previous Page
To Previous Page IconTo Previous Page
Loading...
30
Remote Start: Testing Your Installation
87
87a
86
85
30
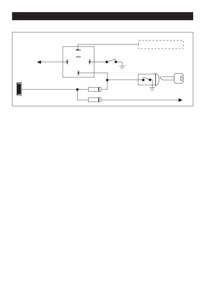
Driver's Door
Pin Switch
+ 12 V
Key in Chime Module
Ignition Key In Sensor
Switch Closes with Key
In Ignition Cylinder
To Hood Pin Switch Safety Shut Down
Safety
IN4003
Black/White Wire
Neutral Safety Switch
Black 9-Pin
Mini Connector
Method 1
To connect to the key in sensor as shown in Method 1 follow these steps:
A. Locate the control wire that connects the drivers door pin switch to the key in sensor switch.
B. Cut this wire and connect the ignition cylinder side to chassis ground.
C. Locate the key in sensor switch wire that connects the chime module to the ignition cylinder.
D. Cut this wire and connect the ignition cylinder side to terminal 30 of P&B VF45F11 or equivalent relay.
E. Connect the cathode (striped) side of a 4003 series diode to this same wire, and connect the (non striped) side to
the negative safety input wire (White/Black of the Remote Start Unit.
F. Connect terminal 86 of the relay to a fused +12 volt constant battery source.
G. Connect terminal 87 of the relay to the Chime Module side of the previously cut wire in Step D.
H. Connect terminal 85 of the relay to the Driver’s Door side of the pin switch wire previously cut in Step B.
Note: A second 4003 series diode may be required to maintain the integrity of the hood open, shut down circuit. If this
is the case, it must be installed as shown in the diagram above. The anode (non stripped) side must be connect to the
WHITE/BLACK wire of the Remote Start Unit. The cathode (striped) side must be connected to the hood pin switch.
M11A-IM 3/8/05 3:43 PM Page 30

Related product manuals