EasyManua.ls Logo

Marvel MLWD224-IG01A - Page 28

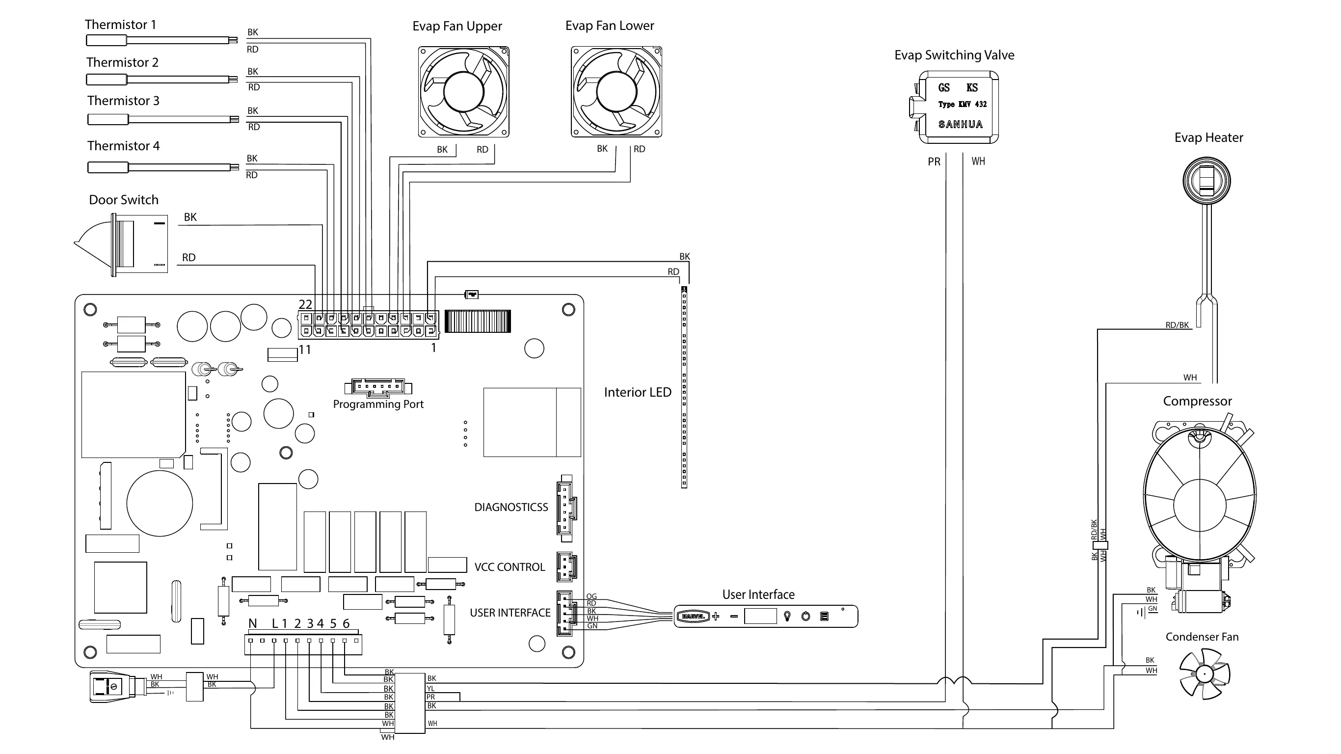
Marvel MLWD224-IG01A
48 pages
Print Icon
To Next Page IconTo Next Page
To Next Page IconTo Next Page
To Previous Page IconTo Previous Page
To Previous Page IconTo Previous Page
Loading...
Condenser Fan
Compressor
Thermistor 3
Evap Fan Upper
User Interface
Door Switch
Evap Switching Valve
Thermistor 4
Thermistor 2
Thermistor 1
Evap Heater
BK
RD
BK
BK
RD
BK
BK
RD
RD
RD
RD
BK
BK
WH WH
BK
BK
BK
BK
BK
BK
BK
BK
WH
WH
BK
BK
PR
BK
WH
BK
WH
WH
RD/BK
WH WH
RD/BK
BK
Programming Port
DIAGNOSTICSS
USER INTERFACE
VCC CONTROL
Interior LED
OG
RD
BK
WH
GN
GN
WH
RD
BK
RD
Evap Fan Lower
YL
PR
WH
N L 1 2 3 4 5 6
11
22
1
28

Related product manuals