EasyManua.ls Logo

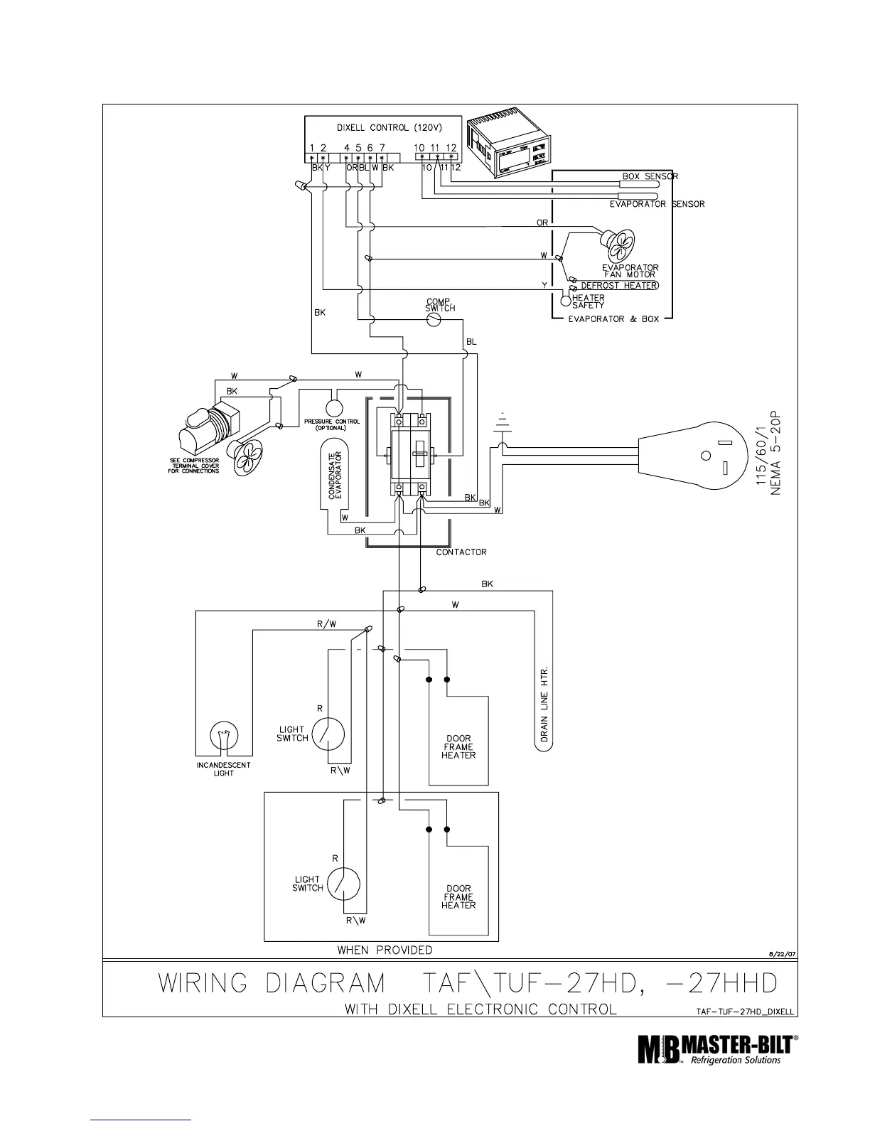
Master Bilt TAF-27 - Wiring Diagrams

Master Bilt TAF-27
16 pages
Print Icon
To Next Page IconTo Next Page
To Next Page IconTo Next Page
To Previous Page IconTo Previous Page
To Previous Page IconTo Previous Page
Loading...
14
in compliance with section 608 of the Clean Air Act effective November 1995 and in accordance with all
applicable local, regional, or national standards

Related product manuals