EasyManua.ls Logo

Master BV 290 E - Electrical Diagram (120 V;50-60 Hz)

Master BV 290 E
14 pages
Print Icon
To Next Page IconTo Next Page
To Next Page IconTo Next Page
To Previous Page IconTo Previous Page
To Previous Page IconTo Previous Page
Loading...
102
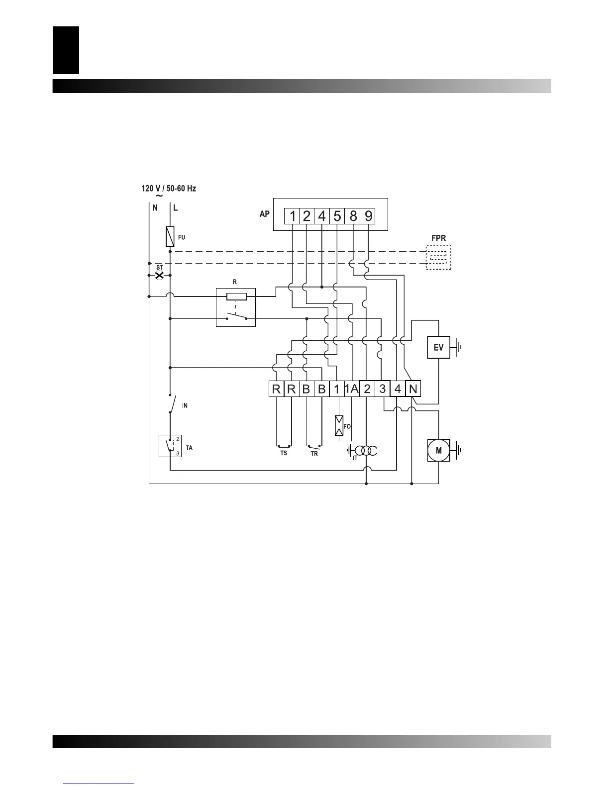
SCHEMA ELETTRICO - ELECTRIC DIAGRAM - ELEKTROSCHALTPLAN - ESQUEMA ALÁMBRICO
- SCHÉMA ÉLECTRIQUE - BEDRADINGSSCHEMA - ESQUEMA ELÉCTRICO - ELEKTRISK SKEMA
- SÄHKÖKAAVIO - OVERSIKT OVER ELEKTRISKE FUNKSJONER - ELSCHEMA - SCHEMAT
ELEKTRYCZNY - ЭЛEKTPOCXEMA - SCHÉMA ELEKTŘINY - VILLAMOS BEKÖTÉSI RAJZ -
ELEKTRIČNA SHEMA - ELEKTRIČNA SHEMA - ELEKTRIK SEMASI - ELEKTRISKEEM - SCHÉMA
ELEKTRICKÉHO ZAPOJENIA - ЕЛЕКТРИЧЕСКА СХЕМА
FU= Fusibile/Fuse/Schmelzsicherung/Fusible/Zekering/Fusível/Sikring/Sulake/Sikring/Säkring/Bezpiecznik topikowy/Прeдохранитeль/Tavná pojistka/Olvadóbiztosíték
IT=trasformatore alta tensione/High voltage transformer/Hochspannungstransformator/Transform. alta tensión/Transform. haute tension/Hoogspanningstransformat
or/Transform. de alta tensão/Højspænding transform./Korkeajännitemuuntaja/Høyspenningstransformator/Transform. hög spänning/Transform.o wysokim napięciu/
Tрансформатор высокого напряжeния/Transform.vysokého napûtí/Nagyfeszültség transzformátor
TS=termostato di sicurezza/Safety therm./Sicherheitsthermostat/Term. de seguridad/Thermostat de sécurité/Veiligheidsthermostaat/Term. de segurança/Sikkerheds
term./Varotermostaatti/Sikkerhetsterm./Säkerhetsterm.Termostat bezpieczeństwa/Прeдохранитeльный тeрмостат/Bezpeãnostní term./Biztonsági termosztát
EV=elettrovalvola/Electric valve/Elektroventil/Electro-válvula/Électrovanne/Elektromagnetische klep/Eletroválvula/Sähköventtiili/Elventil/Elektrozawór/Элeктрокпан/
Elektrick ventil/Mágnesszelep
FO=fotoresistenza/Photoresistance/Fotozelle/Fotorresistencia/Photorésistance/Fotoweerstand/Fotoresistência/Fotomodstand/Valovastus/Fotoresistens/Fotocell/
Fotoodpornoś/Фоторeзистор/Fotoelektrick odpor/Fotoellenállás
TR=termostato ventilatore/Fan thermostat/Ventilatorthermostat/Termostato ventilador/Thermostat ventilateur/Thermostaatventilator/Termostato do ventilador/Blæser
termostat/Tuulettimen termostaatti/Viftetermostat/Termostat äkt/Termostat wentylator/Teрмостат вeнтилятора/Termostat ventilátoru/Ventilátor termosztát
M=motore ventilatore/Fan/Ventilatormotor/Motor ventilador/Moteur ventilateur/Motorventilator/Motor do ventilador/Blæser motor/Moottorin tuuletin/Viftemotor/
Fläktmotor/Silnik wentylator/Мотро вeнтилятора/Motor ventilátoru/Ventilátor motor
ST=spia tensione/Power indicator/Spannungsanzeige/Luz indicadora tensión/Témoin de tension/Spanningsspion/Sinal de tensão elétrica/Spænding kontrollampe/
Jännitteen merkkivalo/Varsellampe, trykk/Indikeringslampa spänning/Wskaźnik napięcia/Индикатор напряжeния/Kontrolka napûtí/Feszültség jelzőlámpa
IN=Interruttore/Switch/Schalter/Interruptor/Interrupteur/Schakelaar/Kontakt/Katkaisija/Bryter/Brytarkontakt/Wyłącznik/Пeрeключатeль/Spínaã/Megszakító
TA=presa termostato ambiente/Ambient therm. socket/Steckvorrichtung Raumthermostat/Toma termostato ambiente/Prise therm. ambiant/Aansluiting kamerthermostaat/
Tomada term. ambiente/Indvendig temperatur term. stik/Huoneenlämpötermostaatin pistoke/Kontakt for romtermostaten/Uttag för extern term./Gniazdo termostatu
pokojowego/Рoзeтка тeрмостата внeшнeй срeды/Zásuvka termostatu pro okolní ovzduší/Környezeti levegő termosztát csatlakozó
R=relè/Relay/Relais/Relê/Relæ/Relä/Przekaźnik/Peлe
TF 974=apparecchiatura di controllo/Control equipment/Steuergerät/Dispositivo de control/Appareillage de contrôle/Controle-instrument/Aparelhagem de controle/
Kontrolanordning/Valvontalaite/Kontrollapparat/Styrapparatur/Aparatura kontrolna/Контрoльныe приборы/Kontrolní za ízení/Vezérlő készülék
FU= 20 A
FPR= Filtro
pre-riscaldo/
Pre-heating
filter/Preheating/
Precalientamiento/
Pré-aquecimento
120 V / 50-60 Hz

Related product manuals