EasyManua.ls Logo

Master BV 290 E - Electrical Diagrams; Electric Diagram (230 V;50 Hz)

Master BV 290 E
14 pages
Print Icon
To Next Page IconTo Next Page
To Next Page IconTo Next Page
To Previous Page IconTo Previous Page
To Previous Page IconTo Previous Page
Loading...
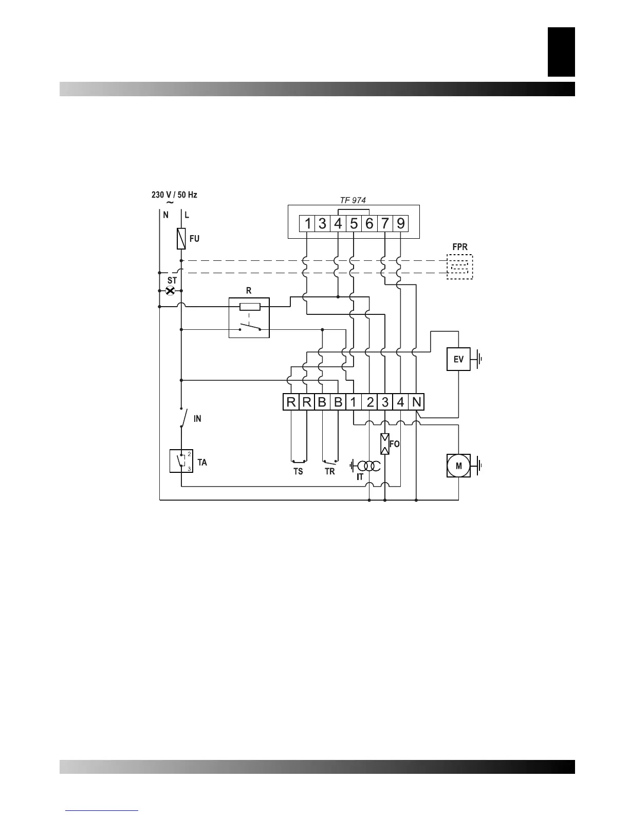
230 V / 50 Hz
101
SCHEMA ELETTRICO - ELECTRIC DIAGRAM - ELEKTROSCHALTPLAN - ESQUEMA ALÁMBRICO
- SCHÉMA ÉLECTRIQUE - BEDRADINGSSCHEMA - ESQUEMA ELÉCTRICO - ELEKTRISK SKEMA
- SÄHKÖKAAVIO - OVERSIKT OVER ELEKTRISKE FUNKSJONER - ELSCHEMA - SCHEMAT
ELEKTRYCZNY - ЭЛEKTPOCXEMA - SCHÉMA ELEKTŘINY - VILLAMOS BEKÖTÉSI RAJZ -
ELEKTRIČNA SHEMA - ELEKTRIČNA SHEMA - ELEKTRIK ĠEMASI - ELEKTRISKO SAVIENOJUMU
SHĒMA - SCHEMA ELECTRICĂ - ЕЛЕКТРИЧЕСКА СХЕМА
FU= Fusibile/Fuse/Schmelzsicherung/Fusible/Zekering/Fusível/Sikring/Sulake/Sikring/Säkring/Bezpiecznik topikowy/Прeдохранитeль/Tavná pojistka/Olvadóbiztosíték
IT=trasformatore alta tensione/High voltage transformer/Hochspannungstransformator/Transform. alta tensión/Transform. haute tension/Hoogspanningstransformat
or/Transform. de alta tensão/Højspænding transform./Korkeajännitemuuntaja/Høyspenningstransformator/Transform. hög spänning/Transform.o wysokim napięciu/
Tрансформатор высокого напряжeния/Transform.vysokého napûtí/Nagyfeszültség transzformátor
TS=termostato di sicurezza/Safety therm./Sicherheitsthermostat/Term. de seguridad/Thermostat de sécurité/Veiligheidsthermostaat/Term. de segurança/Sikkerheds
term./Varotermostaatti/Sikkerhetsterm./Säkerhetsterm.Termostat bezpieczeństwa/Прeдохранитeльный тeрмостат/Bezpeãnostní term./Biztonsági termosztát
EV=elettrovalvola/Electric valve/Elektroventil/Electro-válvula/Électrovanne/Elektromagnetische klep/Eletroválvula/Sähköventtiili/Elventil/Elektrozawór/Элeктрокпан/
Elektrick ventil/Mágnesszelep
FO=fotoresistenza/Photoresistance/Fotozelle/Fotorresistencia/Photorésistance/Fotoweerstand/Fotoresistência/Fotomodstand/Valovastus/Fotoresistens/Fotocell/
Fotoodpornoś/Фоторeзистор/Fotoelektrick odpor/Fotoellenállás
TR=termostato ventilatore/Fan thermostat/Ventilatorthermostat/Termostato ventilador/Thermostat ventilateur/Thermostaatventilator/Termostato do ventilador/Blæser
termostat/Tuulettimen termostaatti/Viftetermostat/Termostat äkt/Termostat wentylator/Teрмостат вeнтилятора/Termostat ventilátoru/Ventilátor termosztát
M=motore ventilatore/Fan/Ventilatormotor/Motor ventilador/Moteur ventilateur/Motorventilator/Motor do ventilador/Blæser motor/Moottorin tuuletin/Viftemotor/
Fläktmotor/Silnik wentylator/Мотро вeнтилятора/Motor ventilátoru/Ventilátor motor
ST=spia tensione/Power indicator/Spannungsanzeige/Luz indicadora tensión/Témoin de tension/Spanningsspion/Sinal de tensão elétrica/Spænding kontrollampe/
Jännitteen merkkivalo/Varsellampe, trykk/Indikeringslampa spänning/Wskaźnik napięcia/Индикатор напряжeния/Kontrolka napûtí/Feszültség jelzőlámpa
IN=Interruttore/Switch/Schalter/Interruptor/Interrupteur/Schakelaar/Kontakt/Katkaisija/Bryter/Brytarkontakt/Wyłącznik/Пeрeключатeль/Spínaã/Megszakító
TA=presa termostato ambiente/Ambient therm. socket/Steckvorrichtung Raumthermostat/Toma termostato ambiente/Prise therm. ambiant/Aansluiting kamerthermostaat/
Tomada term. ambiente/Indvendig temperatur term. stik/Huoneenlämpötermostaatin pistoke/Kontakt for romtermostaten/Uttag för extern term./Gniazdo termostatu
pokojowego/Рoзeтка тeрмостата внeшнeй срeды/Zásuvka termostatu pro okolní ovzduší/Környezeti levegő termosztát csatlakozó
R=relè/Relay/Relais/Relê/Relæ/Relä/Przekaźnik/Peлe
TF 974=apparecchiatura di controllo/Control equipment/Steuergerät/Dispositivo de control/Appareillage de contrôle/Controle-instrument/Aparelhagem de controle/
Kontrolanordning/Valvontalaite/Kontrollapparat/Styrapparatur/Aparatura kontrolna/Контрoльныe приборы/Kontrolní za ízení/Vezérlő készülék
FU= 10 A
FPR= Filtro
pre-riscaldo/
Pre-heating
filter/Preheating/
Precalientamiento/
Pré-aquecimento

Related product manuals