EasyManua.ls Logo

Matrox Iris GTR Series - Connecting a Sourcing Output Device to an Auxiliary Input Signal

Matrox Iris GTR Series
150 pages
Print Icon
To Next Page IconTo Next Page
To Next Page IconTo Next Page
To Previous Page IconTo Previous Page
To Previous Page IconTo Previous Page
Loading...
48 Chapter 2: Powering and connecting to your Matrox Iris GTR
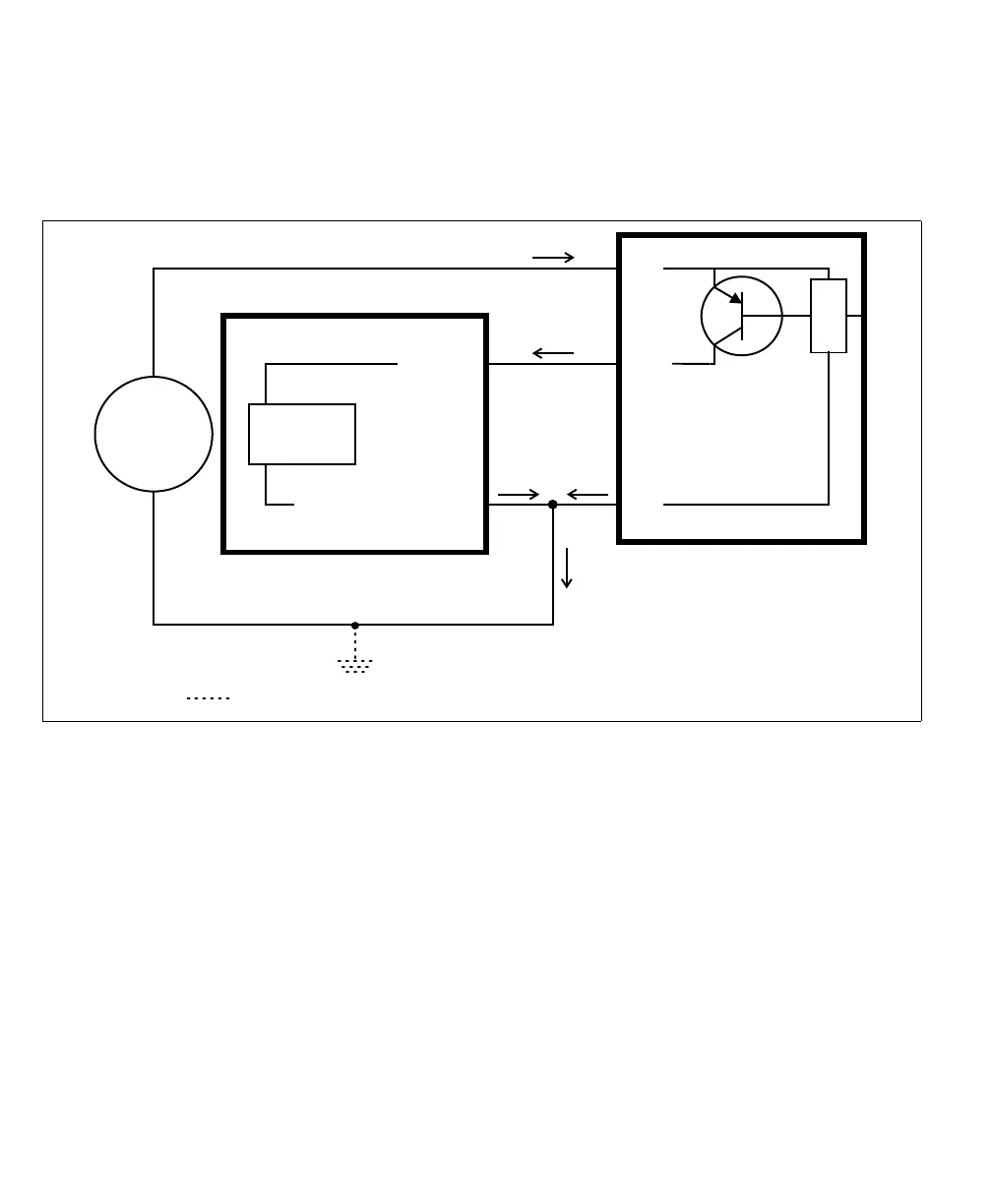
Connecting a sourcing output device to an auxiliary input signal
Connect a sourcing output device to Matrox Iris GTR auxiliary input signal, as
shown below.
Equivalent circuit only
Optional because the auxiliary input signals are optically isolated.
24V
Sensing
Circuit
AUX IN_
AUX IN_COMMON_
OUT
Sourcing device
Matrox Iris GTR
Sinking configuration
+
-
+V
-V

Table of Contents

Related product manuals