EasyManua.ls Logo

Maxatec MT-150 - Page 10

Maxatec MT-150
15 pages
Print Icon
To Next Page IconTo Next Page
To Next Page IconTo Next Page
To Previous Page IconTo Previous Page
To Previous Page IconTo Previous Page
Loading...
MT-150 User’s Manual
16
MT-150 User’s Manual
17
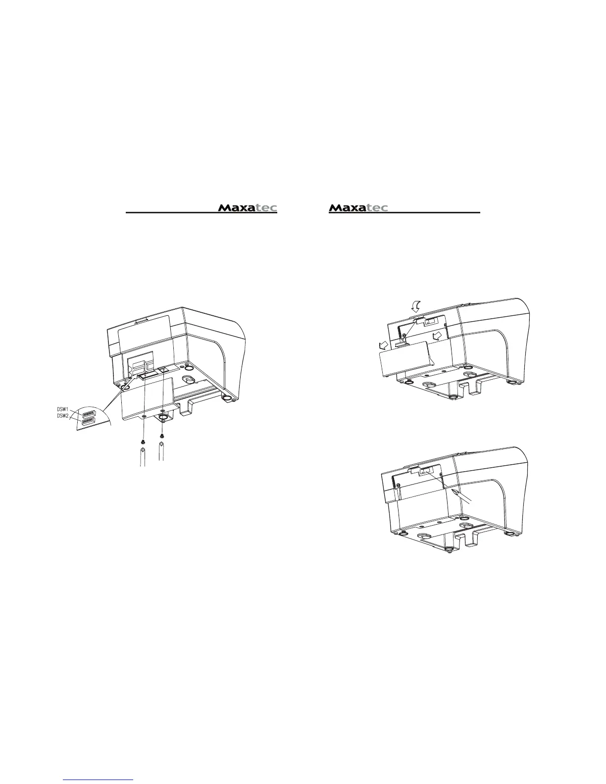
♣CAUTION:
Turn off the printer while removing the DIP switch cover to prevent an electric short, which can
damage the printer.
1. Make sure the printer is turned off.
2. Remove the screw from the DIP switch cover. Then, take off the DIP switch cover as shown in
the illustration below.
3. Set the switches using a pointed tool, such as tweezers or a small screwdriver.
4. Replace the DIP switch cover. Then, secure it with the screw.
The new settings take effect when you turn on the printer.
♣CAUTION:
When the paper is jammed with cutter, the top cover might be stuck. In this case, repeat power
on and off several times.
If the top cover is still stuck, please follow the steps to release the papers from jamming.
1. Make sure the printer is turned off.
2. Take out cutter cover as shown.
3. Turn screw with drivers to a direction until paper is released from the cutter.