EasyManua.ls Logo

maximal FD50-70T MWF - 6.1 Steering Unit

Default Icon
115 pages
Print Icon
To Next Page IconTo Next Page
To Next Page IconTo Next Page
To Previous Page IconTo Previous Page
To Previous Page IconTo Previous Page
Loading...
5-10t Internal Combustion Counterbalance Forklift Truck Operation & Maintenance Manual
-
-
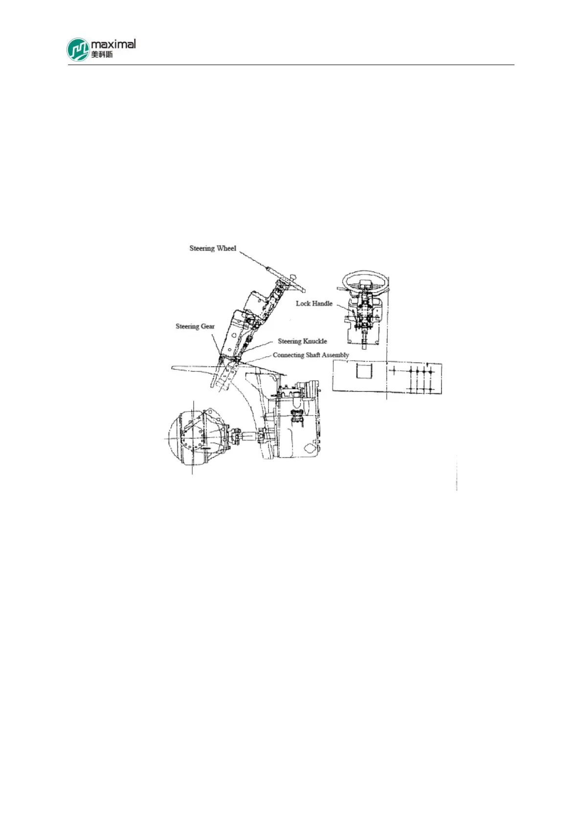
Steering system is composed of steering wheel, steering pipe column (including steering shaft
and locking handle), universal joint assembly, steering unit, steering axle, and steering
cylinder. Refer to Fig 6-1 for steering control device.
Steering shaft and steering unit are connected through universal joint. The steering wheel
actuates the steering shaft and the universal joint for steering unit to act, so as to achieve
hydraulic steering. The steering pipe column that supports the steering shaft is able to tilt
forward and backward for a certain angle, for it to be adjusted to a proper position, to meet the
requirements of different drivers.
Fig 6-1 Steering Control Device

Table of Contents