EasyManua.ls Logo

Maxum 1750SR - 1900 Sr, 2100 Sr & 2100 Sc

Default Icon
60 pages
Print Icon
To Next Page IconTo Next Page
To Next Page IconTo Next Page
To Previous Page IconTo Previous Page
To Previous Page IconTo Previous Page
Loading...
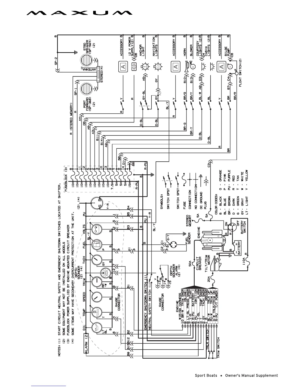
CHAPTER 12: ELECTRICAL SYSTEM 47
1900SR, 2100SR & 2100SC

Table of Contents

Related product manuals