EasyManua.ls Logo

Maxum 24000SC - Wiring Diagram

Default Icon
56 pages
Print Icon
To Next Page IconTo Next Page
To Next Page IconTo Next Page
To Previous Page IconTo Previous Page
To Previous Page IconTo Previous Page
Loading...
Chapter 12: Electrical System
41
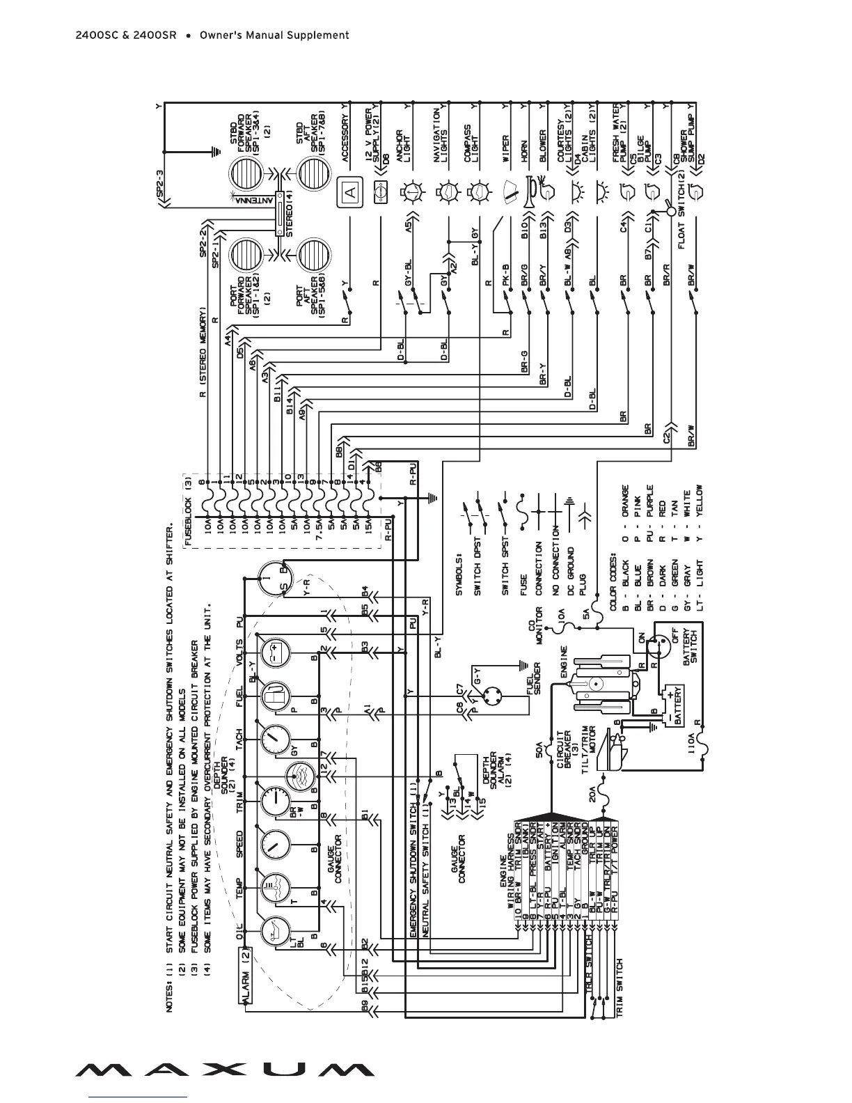
Wiring Diagram

Table of Contents

Related product manuals