EasyManua.ls Logo

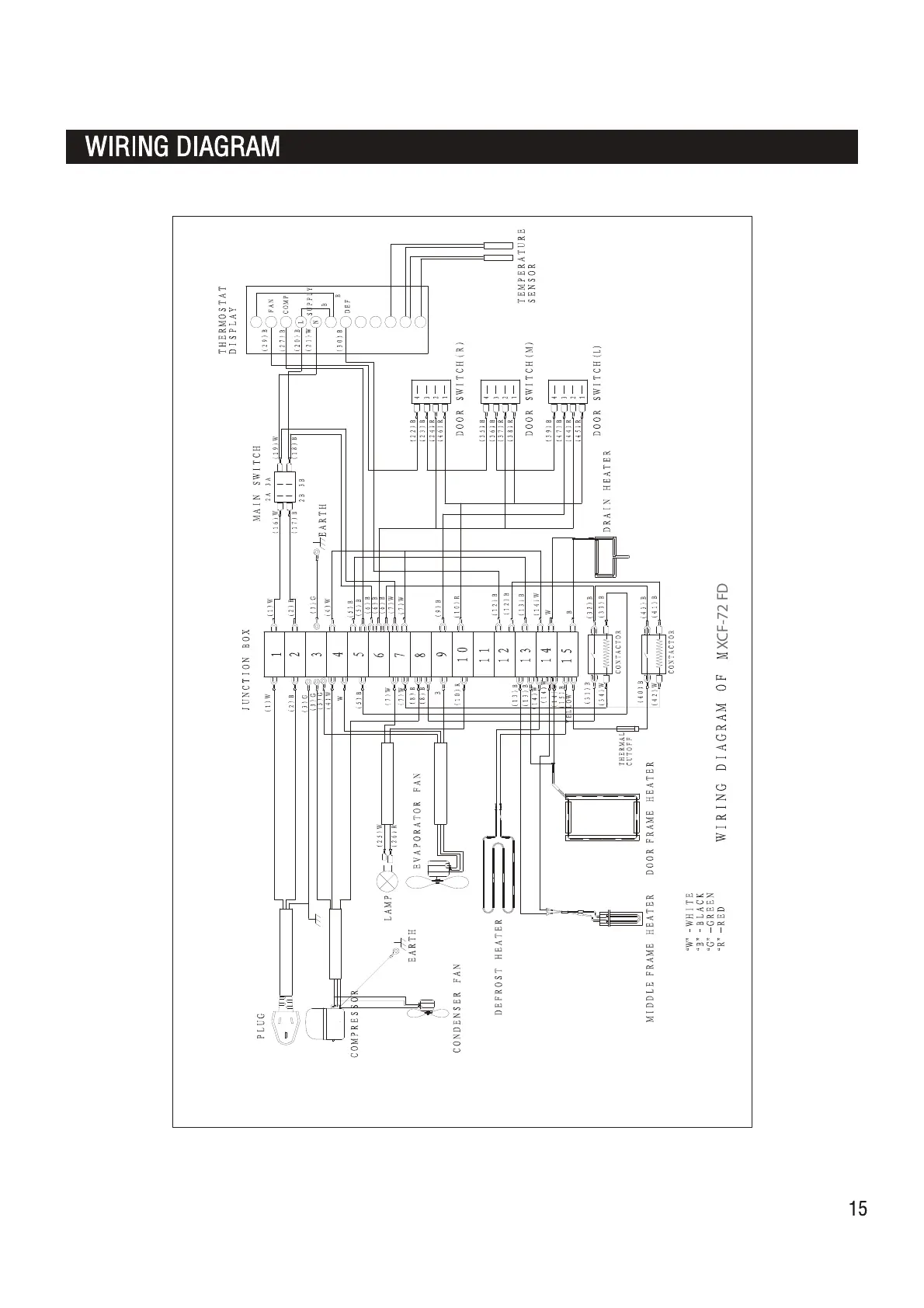
Maxx Cold MXCF-49FD - DETAILED WIRING DIAGRAM - MXCR Series; MXCR>49 FD Junction Box Connections; MXCR>72 FD Junction Box Connections

Maxx Cold MXCF-49FD
16 pages
Print Icon
To Next Page IconTo Next Page
To Next Page IconTo Next Page
To Previous Page IconTo Previous Page
To Previous Page IconTo Previous Page
Loading...
Service and Installation Manual
XCF-72 FD

Other manuals for Maxx Cold MXCF-49FD

Related product manuals