EasyManua.ls Logo

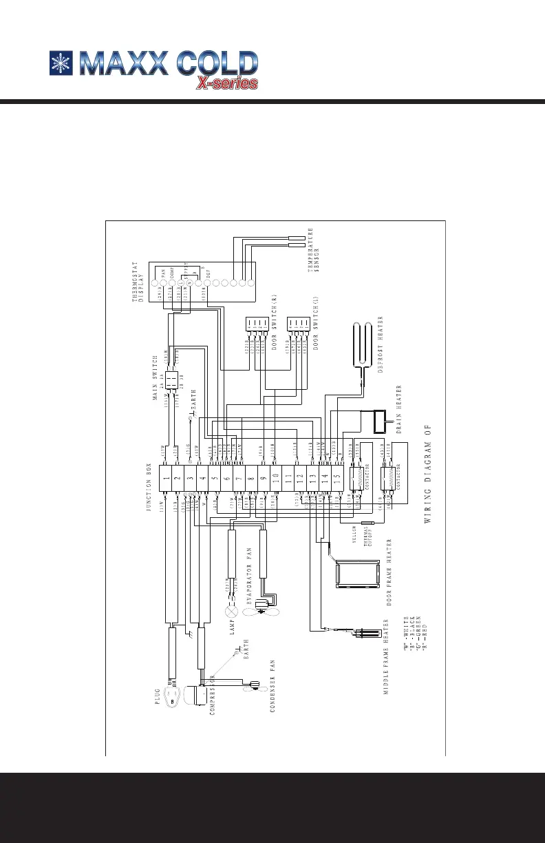
Maxx Cold X Series - WIRING DIAGRAM; Wiring Diagram of MXCF>49 FDRE

Maxx Cold X Series
20 pages
Print Icon
To Next Page IconTo Next Page
To Next Page IconTo Next Page
To Previous Page IconTo Previous Page
To Previous Page IconTo Previous Page
Loading...
17
WIRING DIAGRAM
MXCF›49FDRE
Maxxx Cold Reach-ins Manual 2012VerA:Layout 1 6/7/2012 10:47 AM Page 19

Other manuals for Maxx Cold X Series

Related product manuals